17T28-3 Ch= TS-422
Motorola Inc. (ex Galvin Mfg.Co. Chicago); Schaumburg (IL)
- Pays
- Etats-Unis
- Fabricant / Marque
- Motorola Inc. (ex Galvin Mfg.Co. Chicago); Schaumburg (IL)
- Année
- 1957 ?
- Catégorie
- Récepteur de télévision ou moniteur
- Radiomuseum.org ID
- 264444
Cliquez sur la vignette du schéma pour le demander en tant que document gratuit.
- No. de tubes
- 17
- Lampes / Tubes
- 3BC5 5U8 3CB6 3CB6 3CB6 12BY7A 3AU6 3AL5 7AU7 12L6GT 7AU7 6CG7 12DQ6 19AU4 1B3 6CM7 17AVP4A or 17AVP4
- Principe général
- Super hétérodyne avec étage HF; 2 Etage(s) BF
- Gammes d'ondes
- VHF/UHF (voir details en note)
- Tension / type courant
- Alimentation Courant Alternatif (CA) / 60 Hz, 117V = 110 -120 Volt
- Haut-parleur
- HP dynamique à aimant permanent + bobine mobile / Ø 4 inch = 10.2 cm
- Matière
- Boitier métallique
- De Radiomuseum.org
- Modèle: 17T28-3 Ch= TS-422 - Motorola Inc. ex Galvin Mfg.Co
- Forme
- Modèle de table profil bas (grand modèle).
- Remarques
-
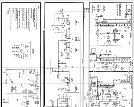
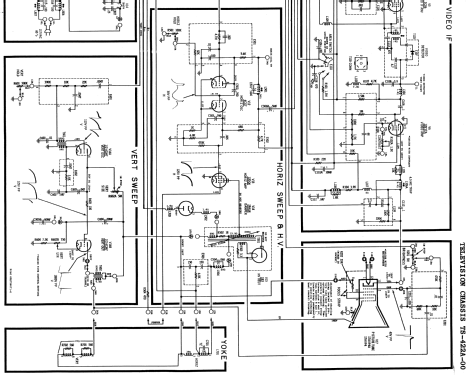
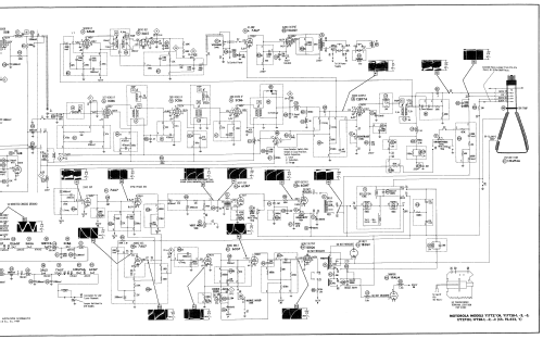
The Motorola 17T28-3 is a 17" b/w TV with US FCC standard VHF tuner channels 2 thru 13. Equipped with chassis TS-422, VHF tuner TT-84 and picture tube 17AVP4A or 17AVP4.
Has Qty(2) Selenium rectifiers.The 17T28 Series of TV's consisted of the following models:
Model Bands Chassis VHF/UHF Tuners Cabinet Colors 17T28-1 VHF TS-422 TT-84 Mocha & antique white Y17T28-1 VHF, UHF TS-422Y VTT-86Y/WTT-87 Mocha & antique white 17T28-2 VHF TS-422 TT-84 Flame & antique white Y17T28-2 VHF, UHF TS-422Y VTT-86Y/WTT-87 Flame & antique white 17T28-3 VHF TS-422 TT-84 Maple sugar & antique white Y17T28-3 VHF, UHF TS-422Y VTT-86Y/WTT-87 Maple sugar & antique white
- Schémathèque (1)
- Photofact Folder, Howard W. SAMS (Set 344 Folder 18-S date 1 - 57)
- Schémathèque (2)
- - - Manufacturers Literature (Motorola Service Manual 68P738085 dated 1957)
- Schémathèque (3)
- Photofact Folder, Howard W. SAMS (Set 368 Folder 9 dated 8-57)
- Auteur
- Modèle crée par John Kusching. Voir les propositions de modification pour les contributeurs supplémentaires.
- D'autres Modèles
-
Vous pourrez trouver sous ce lien 4655 modèles d'appareils, 2982 avec des images et 4153 avec des schémas.
Tous les appareils de Motorola Inc. (ex Galvin Mfg.Co. Chicago); Schaumburg (IL)