17T30CH Ch= TS-428
Motorola Inc. (ex Galvin Mfg.Co. Chicago); Schaumburg (IL)
- Country
- United States of America (USA)
- Manufacturer / Brand
- Motorola Inc. (ex Galvin Mfg.Co. Chicago); Schaumburg (IL)
- Year
- 1957 ?
- Category
- Television Receiver (TV) or Monitor
- Radiomuseum.org ID
- 319359
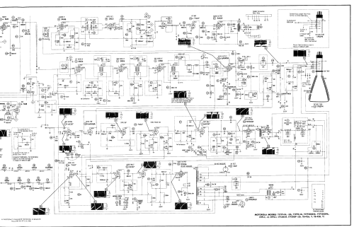
Click on the schematic thumbnail to request the schematic as a free document.
- Number of Tubes
- 18
- Valves / Tubes
- 4BC8 5U8 3BZ6 3BZ6 3CB6 6AW8A 6CG7 3AU6 3AL5 7AU7 5AQ5 7AU7 12W6GT 6CG7 12DQ6 19AU4 3A2 or 3A3 17BZP4
- Main principle
- Superhet with RF-stage
- Wave bands
- Wave Bands given in the notes.
- Power type and voltage
- 60 Hz, 117V = 110 -120 Volt
- Loudspeaker
- Permanent Magnet Dynamic (PDyn) Loudspeaker (moving coil) / Ø 4 inch = 10.2 cm
- Material
- Plastics (no bakelite or catalin)
- from Radiomuseum.org
- Model: 17T30CH Ch= TS-428 - Motorola Inc. ex Galvin Mfg.Co
- Shape
- Tablemodel, with any shape - general.
- Notes
-
Motorola model 17T30CH is a 17" b/w TV with US standard VHF tuner channels 2 thru 13. Equipped with chassis TS-428, VHF tuner TT-95 and picture tube 17BZP4.
- Literature/Schematics (1)
- Photofact Folder, Howard W. SAMS (Set 384 Folder 3 dated 1-58)
- Author
- Model page created by Dirk Taekels. See "Data change" for further contributors.
- Other Models
-
Here you find 4653 models, 2980 with images and 4153 with schematics for wireless sets etc. In French: TSF for Télégraphie sans fil.
All listed radios etc. from Motorola Inc. (ex Galvin Mfg.Co. Chicago); Schaumburg (IL)