21CT2M Ch= TS-905
Motorola Inc. (ex Galvin Mfg.Co. Chicago); Schaumburg (IL)
- País
- Estados Unidos
- Fabricante / Marca
- Motorola Inc. (ex Galvin Mfg.Co. Chicago); Schaumburg (IL)
- Año
- 1957/1958
- Categoría
- Televisión (TV) o monitor
- Radiomuseum.org ID
- 173981
Haga clic en la miniatura esquemática para solicitarlo como documento gratuito.
- Numero de valvulas
- 30
- Válvulas
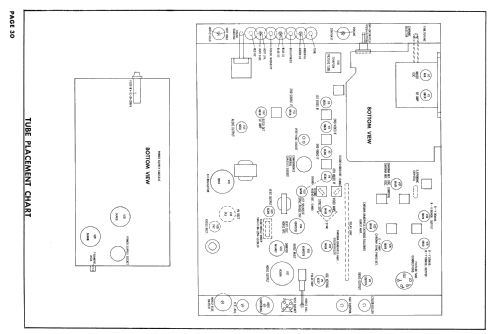
- 6BC8 6U8 6BZ6 6BZ6 6CB6 6CB6 6AU8 12BY7A 6CG7 6AN8 6AU6 6BV8 6AQ5 6SN7GTB 6CM6 6SN7GTB 6CB5A 6AU4GT 3A3 1V2 6BK4 6AU8 6BH8 6BV8 6BV8 6BV8 6AU8 5U4GB 5U4GB 21AXP22A
- Principio principal
- Superheterodino con paso previo de RF
- Gama de ondas
- VHF/UHF (see notes for details)
- Tensión de funcionamiento
- Red: Corriente alterna (CA, Inglés = AC) / 60 cycles, 110-120 Volt
- Altavoz
- Altavoz dinámico (de imán permanente) / Ø 8 inch = 20.3 cm
- Material
- Madera
- de Radiomuseum.org
- Modelo: 21CT2M Ch= TS-905 - Motorola Inc. ex Galvin Mfg.Co
- Forma
- Sobremesa de cualquier forma, detalles no conocidos.
- Anotaciones
-
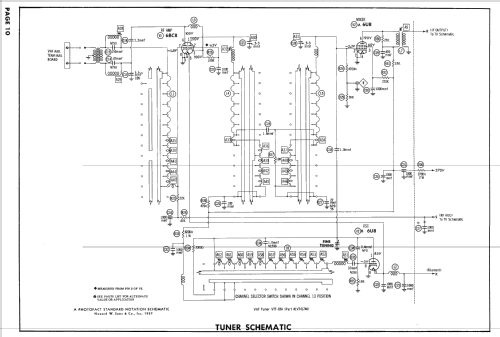
The Motorola 21CT2M is a 21" color TV with US standard VHF Tuner channels 2 thru 13. Equipped with chassis TS-905, VHF tuner VTT-83A and picture tube 21AXP22A.
The following models use the same chassis family and schematics:
Model Chassis VHF/UHF Cabinet 21CT2B TS-905 VHF Swedish Oak Y21CT2B TS-905Y VHF/UHF Swedish Oak 21CT2M TS-905 VHF Sienna Mahogany Y21CT2M TS-905Y VHF/UHF Sienna Mahogany 21CK3B TS-905 VHF Swedish Oak Y21CK3B TS-905Y VHF/UHF Swedish Oak 21CK3M TS-905 VHF Sienna Mahogany Y21CK3M TS-905Y VHF/UHF Sienna Mahogany
- Mencionado en
- US "Radio & TV News" June 1957
- Documentación / Esquemas (1)
- Photofact Folder, Howard W. SAMS (Set 371, folder 5 dated 9-57)
- Documentación / Esquemas (2)
- Photofact Folder, Howard W. SAMS (Set 346 Folder 22-S dated 2-57)
- Autor
- Modelo creado por un miembro de A. Ver en "Modificar Ficha" los participantes posteriores.
- Otros modelos
-
Donde encontrará 4655 modelos, 2982 con imágenes y 4153 con esquemas.
Ir al listado general de Motorola Inc. (ex Galvin Mfg.Co. Chicago); Schaumburg (IL)
Colecciones
El modelo 21CT2M es parte de las colecciones de los siguientes miembros.