21F3 Ch= TS-292, A, B, HS-316
Motorola Inc. (ex Galvin Mfg.Co. Chicago); Schaumburg (IL)
- Land
- USA
- Hersteller / Marke
- Motorola Inc. (ex Galvin Mfg.Co. Chicago); Schaumburg (IL)
- Jahr
- 1953 ?
- Kategorie
- Fernseh-Empfänger/Monitor
- Radiomuseum.org ID
- 360759
Klicken Sie auf den Schaltplanausschnitt, um diesen kostenlos als Dokument anzufordern.
- Anzahl Röhren
- 18
- Röhren
- 6BZ7 6U8 6CB6 6CB6 6CB6 6AH6 6AU6 6AU6 6AL5 6SN7GT 6W6GT 6SN7GT 12BH7 6SN7GT 6BQ6GT 6AX4GT 1B3GT 21FP4
- Hauptprinzip
- Super mit HF-Vorstufe
- Wellenbereiche
- Wellen in den Bemerkungen.
- Betriebsart / Volt
- Wechselstromspeisung / 60Hz, 117V=110-120 Volt
- Lautsprecher
- Dynamischer LS, keine Erregerspule (permanentdynamisch) / Ø 10 inch = 25.4 cm
- Material
- Gerät mit Holzgehäuse
- von Radiomuseum.org
- Modell: 21F3 Ch= TS-292, A, B, HS-316 - Motorola Inc. ex Galvin Mfg.Co
- Form
- Standgerät: allgemein.
- Bemerkung
-
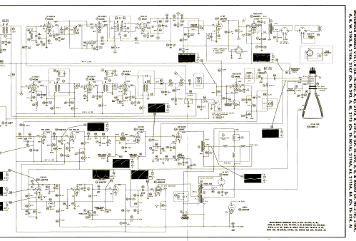
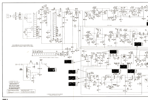
Motorola model 21F3 is a 21” b/w TV with US standard VHF tuner channels 2 thru 13. Equipped with chassis TS-292, A, B, Radio chassis HS-316, VHF tuner 1U720970 and picture tube 21FP4. Typo in tube parts list , V15 6BQ7GT has to be 6BQ6GT.
- Literatur/Schema (1)
- Photofact Folder, Howard W. SAMS (Set 191, folder 13, dated 1-53)
- Literatur/Schema (2)
- Photofact Folder, Howard W. SAMS (Set 197, folder 1, dated 3-53)
- Autor
- Modellseite von Dirk Taekels angelegt. Siehe bei "Änderungsvorschlag" für weitere Mitarbeit.
- Weitere Modelle
-
Hier finden Sie 4655 Modelle, davon 2982 mit Bildern und 4153 mit Schaltbildern.
Alle gelisteten Radios usw. von Motorola Inc. (ex Galvin Mfg.Co. Chicago); Schaumburg (IL)