21K12 Ch= TTS-292
Motorola Inc. (ex Galvin Mfg.Co. Chicago); Schaumburg (IL)
- Country
- United States of America (USA)
- Manufacturer / Brand
- Motorola Inc. (ex Galvin Mfg.Co. Chicago); Schaumburg (IL)
- Year
- 1953 ?
- Category
- Television Receiver (TV) or Monitor
- Radiomuseum.org ID
- 245856
Click on the schematic thumbnail to request the schematic as a free document.
- Number of Tubes
- 18
- Valves / Tubes
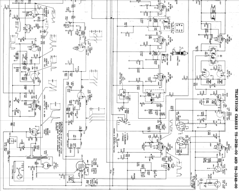
- 6BZ7 or 6BQ7A 6U8 6CB6 6CB6 6CB6 6AH6 6AU6 6AU6 6AL5 6SN7GT 6W6GT 6SN7GT 12BH7 6SN7GT 6BQ6GT 6AX4GT 1B3GT 21FP4
- Main principle
- Superhet with RF-stage
- Wave bands
- VHF incl. FM and/or UHF (see notes for details)
- Power type and voltage
- Alternating Current supply (AC) / 60 cycles, 117 Volt
- Loudspeaker
- Electro Magnetic Dynamic LS (moving-coil with field excitation coil) / Ø 10 inch = 25.4 cm
- Material
- Wooden case
- from Radiomuseum.org
- Model: 21K12 Ch= TTS-292 - Motorola Inc. ex Galvin Mfg.Co
- Shape
- Console with any shape - in general
- Notes
-
The Motorola 21K12 is a 21" b/w TV with US standard VHF Tuner channels 2 thru 13. Equipped with chassis TTS-292, VHF tuner TT-45 and picture tube 21FP4. Has red-brn mahogany cabinet. Has Qty(2) Selenium Rectifiers and Qty(1) germanium diode detector.
- Source of data
- - - Manufacturers Literature
- Literature/Schematics (1)
- - - Manufacturers Literature (Motorola Datasheet 68P730433)
- Literature/Schematics (2)
- - - Manufacturers Literature (Motorola Datasheet 68P721605)
- Literature/Schematics (3)
- - - Manufacturers Literature (Motorola Datasheet 68P722369)
- Literature/Schematics (4)
- - - Manufacturers Literature (Motorola Datasheet 68P732130)
- Author
- Model page created by John Kusching. See "Data change" for further contributors.
- Other Models
-
Here you find 4655 models, 2982 with images and 4154 with schematics for wireless sets etc. In French: TSF for Télégraphie sans fil.
All listed radios etc. from Motorola Inc. (ex Galvin Mfg.Co. Chicago); Schaumburg (IL)