21K37B Ch= TS-534
Motorola Inc. (ex Galvin Mfg.Co. Chicago); Schaumburg (IL)
- Pays
- Etats-Unis
- Fabricant / Marque
- Motorola Inc. (ex Galvin Mfg.Co. Chicago); Schaumburg (IL)
- Année
- 1956 ?
- Catégorie
- Récepteur de télévision ou moniteur
- Radiomuseum.org ID
- 272430
Cliquez sur la vignette du schéma pour le demander en tant que document gratuit.
- No. de tubes
- 19
- Lampes / Tubes
- 6BC8 6U8 6BZ6 6BZ6 6CB6 12BY7 6AU6 6AU6 6AU6 6AL5 6SN7GTB 6W6GT 6SN7GT 6BL7GT 6SN7GT 6CD6G 6AU4GT 1B3GT 21ALP4A
- Principe général
- Super hétérodyne avec étage HF
- Gammes d'ondes
- Bandes en notes
- Tension / type courant
- Alimentation Courant Alternatif (CA) / 60 cycles, 117V = 110 -120 Volt
- Haut-parleur
- HP dynamique à aimant permanent + bobine mobile
- Matière
- Boitier métallique
- De Radiomuseum.org
- Modèle: 21K37B Ch= TS-534 - Motorola Inc. ex Galvin Mfg.Co
- Forme
- Modèle de table générique
- Remarques
-
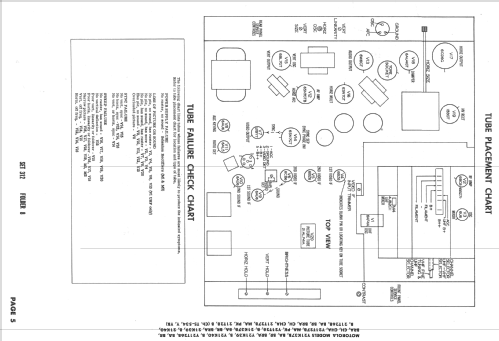
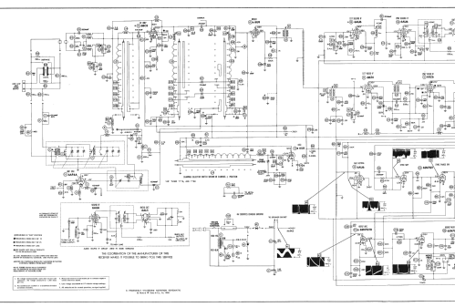
MOTOROLA Model 21K37B is a 21" b/w TV with US standard VHF Tuner channels 2 thru 13 . Equipped with VHF-Tuner TT-79, chassis TS-534 and Picture tube 21ALP4A.
- Schémathèque (1)
- Photofact Folder, Howard W. SAMS (Set 312 folder 8 dated 1956)
- Schémathèque (2)
- Photofact Folder, Howard W. SAMS (Set 329 Folder 1 dated 9-56)
- Schémathèque (3)
- Photofact Folder, Howard W. SAMS (Set 303 Folder 18-S dated 1956)
- Auteur
- Modèle crée par Dirk Taekels. Voir les propositions de modification pour les contributeurs supplémentaires.
- D'autres Modèles
-
Vous pourrez trouver sous ce lien 4655 modèles d'appareils, 2982 avec des images et 4153 avec des schémas.
Tous les appareils de Motorola Inc. (ex Galvin Mfg.Co. Chicago); Schaumburg (IL)