21K76M Ch= TS-544
Motorola Inc. (ex Galvin Mfg.Co. Chicago); Schaumburg (IL)
- País
- Estados Unidos
- Fabricante / Marca
- Motorola Inc. (ex Galvin Mfg.Co. Chicago); Schaumburg (IL)
- Año
- 1958 ?
- Categoría
- Televisión (TV) o monitor
- Radiomuseum.org ID
- 323503
Haga clic en la miniatura esquemática para solicitarlo como documento gratuito.
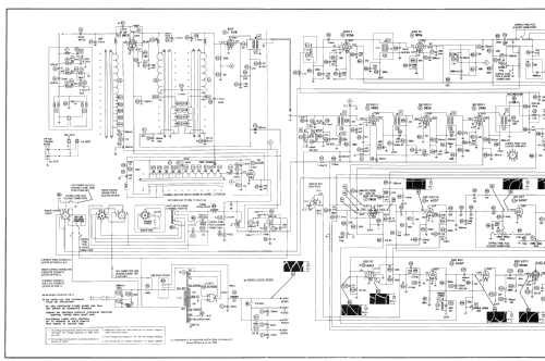
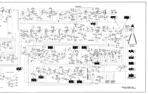
- Numero de valvulas
- 19
- Válvulas
- 6BC8 6U8 3BZ6 3BZ6 3CB6 12BY7A 3BU8 3CB6 3DT6 6AQ5 6CG7 6AQ5 6AL5 6CG7 6DQ6 6AU4GT 3A3 5U4GB 21CBP4A
- Principio principal
- Superheterodino con paso previo de RF
- Gama de ondas
- Bandas de recepción puestas en notas.
- Tensión de funcionamiento
- Red: Corriente alterna (CA, Inglés = AC) / 60 Hz, 117V = 110 -120 Volt
- Altavoz
- Altavoz dinámico (de imán permanente)
- Material
- Madera
- de Radiomuseum.org
- Modelo: 21K76M Ch= TS-544 - Motorola Inc. ex Galvin Mfg.Co
- Forma
- Consola baja, patas más cortas del 50%.
- Anotaciones
-
Motorola model 21K76M is a 21" b/w TV with US standard VHF tuner channels 2 thru 13. Equipped with chassis TS-544, VHF tuner TT98Y and picture tube 21CBP4A.
- Documentación / Esquemas (1)
- Photofact Folder, Howard W. SAMS (Set 393 Folder 2 dated 3-58)
- Autor
- Modelo creado por Dirk Taekels. Ver en "Modificar Ficha" los participantes posteriores.
- Otros modelos
-
Donde encontrará 4653 modelos, 2980 con imágenes y 4153 con esquemas.
Ir al listado general de Motorola Inc. (ex Galvin Mfg.Co. Chicago); Schaumburg (IL)