21K80CW Ch= TS-544
Motorola Inc. (ex Galvin Mfg.Co. Chicago); Schaumburg (IL)
- Produttore / Marca
 - Motorola Inc. (ex Galvin Mfg.Co. Chicago); Schaumburg (IL)
 
- Anno
 - 1958 ?
 
- Categoria
 - Televisore (TV) / Monitor
 
- Radiomuseum.org ID
 - 323506
 
Clicca sulla miniatura dello schema per richiederlo come documento gratuito.
- Numero di tubi
 - 19
 
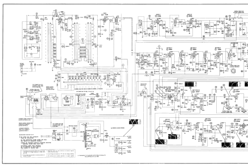
- Valvole
 - 6BC8 6U8 3BZ6 3BZ6 3CB6 12BY7A 3BU8 3CB6 3DT6 6AQ5 6CG7 6AQ5 6AL5 6CG7 6DQ6 6AU4GT 3A3 5U4GB 21CBP4A
 
- Principio generale
 - Supereterodina con stadio RF
 
- Gamme d'onda
 - Gamme d'onda nelle note.
 
- Tensioni di funzionamento
 - Alimentazione a corrente alternata (CA) / 60 Hz, 117V = 110 -120 Volt
 
- Altoparlante
 - AP magnetodinamico (magnete permanente e bobina mobile)
 
- Materiali
 - Mobile in legno
 
- Radiomuseum.org
 - Modello: 21K80CW Ch= TS-544 - Motorola Inc. ex Galvin Mfg.Co
 
- Forma
 - Console, con gambe d'appoggio basse (< 50%).
 
- Annotazioni
 - 
        
Motorola model 21K80CW is a 21" b/w TV with US standard VHF tuner channels 2 thru 13. Equipped with chassis TS-544, VHF tuner TT98Y and picture tube 21CBP4A.
 
- Letteratura / Schemi (1)
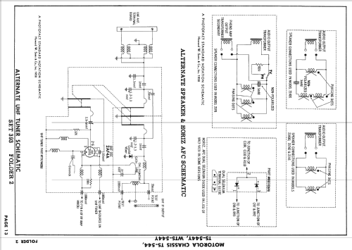
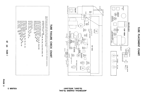
 - Photofact Folder, Howard W. SAMS (Set 393 Folder 2 dated 3-58)
 
- Autore
 - Modello inviato da Dirk Taekels. Utilizzare "Proponi modifica" per inviare ulteriori dati.
 
- Altri modelli
 - 
        
In questo link sono elencati 4655 modelli, di cui 2982 con immagini e 4154 con schemi.
Elenco delle radio e altri apparecchi della Motorola Inc. (ex Galvin Mfg.Co. Chicago); Schaumburg (IL)