21T33BG Ch= TS-538
Motorola Inc. (ex Galvin Mfg.Co. Chicago); Schaumburg (IL)
- Pays
- Etats-Unis
- Fabricant / Marque
- Motorola Inc. (ex Galvin Mfg.Co. Chicago); Schaumburg (IL)
- Année
- 1957
- Catégorie
- Récepteur de télévision ou moniteur
- Radiomuseum.org ID
- 206318
Cliquez sur la vignette du schéma pour le demander en tant que document gratuit.
- No. de tubes
- 20
- Lampes / Tubes
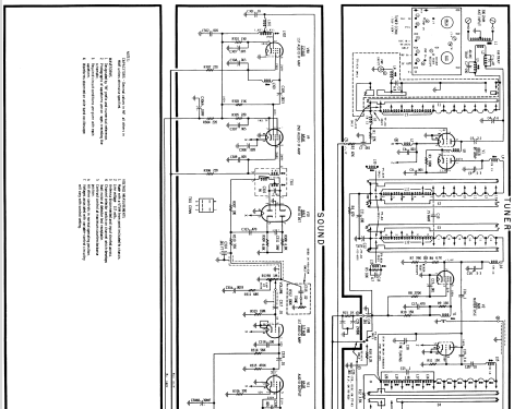
- 6BC8 6U8 6BZ6 6BZ6 6CB6 12BY7 6AU6 6U8 6AU6 6AL5 6AQ5 6SN7 6SN7 6SN7 6DQ6 6AU4 1B3 6AQ5 5U4GB 21ATP4A
- Principe général
- Super hétérodyne avec étage HF
- Gammes d'ondes
- VHF/UHF (voir details en note)
- Tension / type courant
- Alimentation Courant Alternatif (CA) / 60 Hz, 117V = 110 -120 Volt
- Haut-parleur
- HP dynamique à aimant permanent + bobine mobile / Ø 5.25 inch = 13.3 cm
- Matière
- Boitier métallique
- De Radiomuseum.org
- Modèle: 21T33BG Ch= TS-538 - Motorola Inc. ex Galvin Mfg.Co
- Forme
- Modèle de table générique
- Remarques
- 21" b/w TV with US standard VHF Tuner channels 2 thru 13.
Table model, grained blonde, metal
- Source
- - - Manufacturers Literature
- Schémathèque (1)
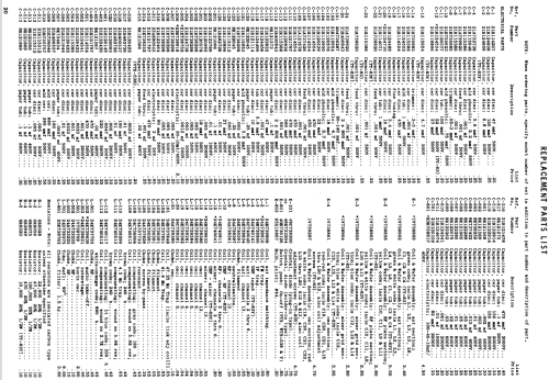
- Photofact Folder, Howard W. SAMS (Set 375 Folder 1 Production Changes Bulletin 190 10-57)
- Auteur
- Modèle crée par John Kusching. Voir les propositions de modification pour les contributeurs supplémentaires.
- D'autres Modèles
-
Vous pourrez trouver sous ce lien 4653 modèles d'appareils, 2980 avec des images et 4153 avec des schémas.
Tous les appareils de Motorola Inc. (ex Galvin Mfg.Co. Chicago); Schaumburg (IL)