2MF Ch= FAC-18805-A
Motorola Inc. (ex Galvin Mfg.Co. Chicago); Schaumburg (IL)
- Country
- United States of America (USA)
- Manufacturer / Brand
- Motorola Inc. (ex Galvin Mfg.Co. Chicago); Schaumburg (IL)
- Year
- 1952 ?
- Category
- Car Radio, perhaps also + sound player/recorder
- Radiomuseum.org ID
- 147604
Click on the schematic thumbnail to request the schematic as a free document.
- Number of Tubes
- 6
- Main principle
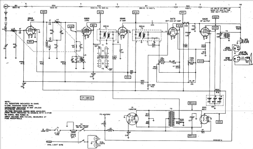
- Superhet with RF-stage; ZF/IF 265 kHz; 2 AF stage(s)
- Tuned circuits
- 7 AM circuit(s)
- Wave bands
- Broadcast only (MW).
- Power type and voltage
- Storage Battery for all (e.g. for car radios and amateur radios) / 6 Volt
- Loudspeaker
- Electro Magnetic Dynamic LS (moving-coil with field excitation coil)
- Material
- Metal case
- from Radiomuseum.org
- Model: 2MF Ch= FAC-18805-A - Motorola Inc. ex Galvin Mfg.Co
- Shape
- Chassis only or for «building in»
- Notes
-
Ford model 2MF is a Battery operated custom built automobile superheterodyne receiver.
6" x 9" LS [6V field] (or PM alternate) elliptical speaker; Vibrator for +B.
- Literature/Schematics (1)
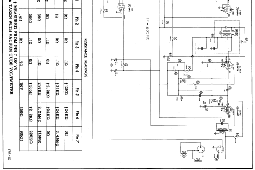
- Photofact Folder, Howard W. SAMS (Date 8-52, Set 175, Folder 10)
- Author
- Model page created by Egon Penker. See "Data change" for further contributors.
- Other Models
-
Here you find 4623 models, 2967 with images and 4123 with schematics for wireless sets etc. In French: TSF for Télégraphie sans fil.
All listed radios etc. from Motorola Inc. (ex Galvin Mfg.Co. Chicago); Schaumburg (IL)