- Pays
- Etats-Unis
- Fabricant / Marque
- Motorola Inc. (ex Galvin Mfg.Co. Chicago); Schaumburg (IL)
- Année
- 1940/1941
- Catégorie
- Radio - ou tuner d'après la guerre 1939-45
- Radiomuseum.org ID
- 48775
Cliquez sur la vignette du schéma pour le demander en tant que document gratuit.
- No. de tubes
- 6
- Principe général
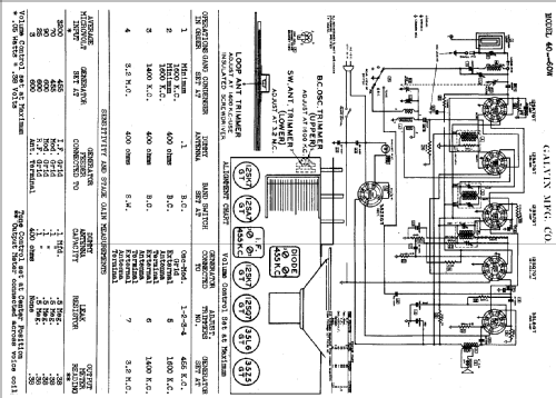
- Super hétérodyne avec étage HF; FI/IF 455 kHz
- Circuits accordés
- 6 Circuits MA (AM)
- Gammes d'ondes
- PO et OC
- Tension / type courant
- Appareil tous courants (CA / CC) / 117 Volt
- Haut-parleur
- HP dynamique à aimant permanent + bobine mobile / Ø 5 inch = 12.7 cm
- Matière
- Boitier en bois
- De Radiomuseum.org
- Modèle: 40-60W - Motorola Inc. ex Galvin Mfg.Co
- Forme
- Modèle de table sans poussoirs, modèle cheminée
- Dimensions (LHP)
- 11.75 x 7.375 x 5.375 inch / 298 x 187 x 137 mm
- Remarques
-
Built in loop antenna for BC. Tuning Range 540 to 1600 kHz (kc) and 1600 to 3700 kHz (kc).
- Source extérieure
- Ernst Erb
- Source du schéma
- Rider's Perpetual, Volume 12 = ca. 1941 and before
- Schémathèque (3)
- Motorola Folder H-201, for 1941.
- D'autres Modèles
-
Vous pourrez trouver sous ce lien 4653 modèles d'appareils, 2980 avec des images et 4153 avec des schémas.
Tous les appareils de Motorola Inc. (ex Galvin Mfg.Co. Chicago); Schaumburg (IL)