51L2U Ch= HS-224
Motorola Inc. (ex Galvin Mfg.Co. Chicago); Schaumburg (IL)
- País
- Estados Unidos
- Fabricante / Marca
- Motorola Inc. (ex Galvin Mfg.Co. Chicago); Schaumburg (IL)
- Año
- 1950
- Categoría
- Radio - o Sintonizador pasado WW2
- Radiomuseum.org ID
- 48848
Haga clic en la miniatura esquemática para solicitarlo como documento gratuito.
- Numero de valvulas
- 4
- Principio principal
- Superheterodino en general; ZF/IF 455 kHz; 2 Etapas de AF
- Número de circuitos sintonía
- 6 Circuíto(s) AM
- Gama de ondas
- OM (onda media) solamente
- Tensión de funcionamiento
- Red / Baterías o pilas / (3; 67.5); AC/DC 117 Volt
- Altavoz
- Altavoz dinámico (de imán permanente) / Ø 3.5 inch = 8.9 cm
- de Radiomuseum.org
- Modelo: 51L2U Ch= HS-224 - Motorola Inc. ex Galvin Mfg.Co
- Anotaciones
- Color:Maroon .
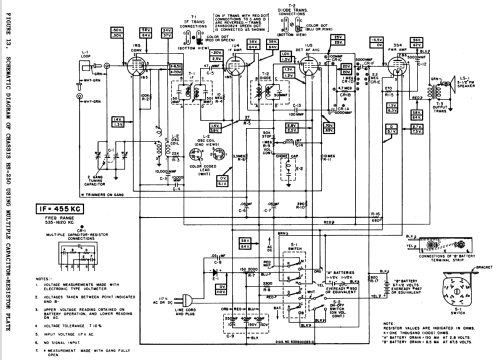
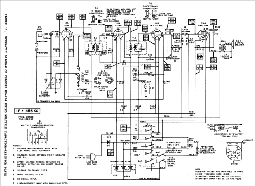
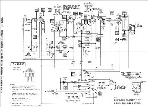
Caution: Beitman´s schematic is not really correct. The chassis HS-224 uses a 5PDT switch (mains / battery selector), not a 4PDT as in the HS-250 depicted in Beitmans schematic diagram.
- Ext. procedencia de los datos
- Ernst Erb
- Referencia esquema
- Rider's Perpetual, Volume 22, covering 1951
- Documentación / Esquemas (1)
- -- Schematic
- Otros modelos
-
Donde encontrará 4653 modelos, 2980 con imágenes y 4153 con esquemas.
Ir al listado general de Motorola Inc. (ex Galvin Mfg.Co. Chicago); Schaumburg (IL)
Colecciones
El modelo 51L2U es parte de las colecciones de los siguientes miembros.