55A3 HS-422 White
Motorola Inc. (ex Galvin Mfg.Co. Chicago); Schaumburg (IL)
- Pays
- Etats-Unis
- Fabricant / Marque
- Motorola Inc. (ex Galvin Mfg.Co. Chicago); Schaumburg (IL)
- Année
- 1955 ?
- Catégorie
- Radio - ou tuner d'après la guerre 1939-45
- Radiomuseum.org ID
- 71407
Cliquez sur la vignette du schéma pour le demander en tant que document gratuit.
- No. de tubes
- 5
- Principe général
- Super hétérodyne (en général); FI/IF 455 kHz
- Circuits accordés
- 5 Circuits MA (AM)
- Gammes d'ondes
- PO uniquement
- Tension / type courant
- Alimentation Courant Alternatif (CA) / 117V = 110 -120 Volt
- Haut-parleur
- HP dynamique à aimant permanent + bobine mobile / Ø 4 inch = 10.2 cm
- Matière
- Bakélite ou plastique de type inconnu
- De Radiomuseum.org
- Modèle: 55A3 HS-422 [White] - Motorola Inc. ex Galvin Mfg.Co
- Forme
- Modèle de table sans poussoirs, modèle cheminée
- Dimensions (LHP)
- 180 x 130 x 120 mm / 7.1 x 5.1 x 4.7 inch
- Remarques
-
Motorola model 55A3 is an AC-DC operated AM superheterodyne receiver.
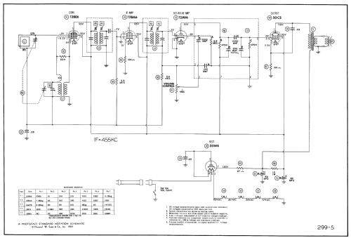
Sams photofact, set 299, folder 5, date 12-55, features the Motorola models 55A1, 55A2 and 55A3 as the same schematic. The difference is only the color.
- Source du schéma
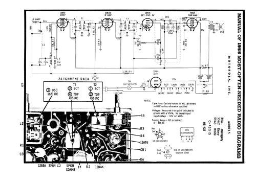
- Beitman Radio Diagrams Vol. 15, 1955
- Littérature
- Beitman Radio Diagrams, Vol. 15, 1955 (Page 49)
- Schémathèque (1)
- Photofact Folder, Howard W. SAMS (Set 299 folder 5 date 12-55)
- Auteur
- Modèle crée par Arpad Roth † 27.3.17. Voir les propositions de modification pour les contributeurs supplémentaires.
- D'autres Modèles
-
Vous pourrez trouver sous ce lien 4655 modèles d'appareils, 2982 avec des images et 4154 avec des schémas.
Tous les appareils de Motorola Inc. (ex Galvin Mfg.Co. Chicago); Schaumburg (IL)