58G11 Ch= HS-160
Motorola Inc. (ex Galvin Mfg.Co. Chicago); Schaumburg (IL)
- Country
- United States of America (USA)
- Manufacturer / Brand
- Motorola Inc. (ex Galvin Mfg.Co. Chicago); Schaumburg (IL)
- Year
- 1949 ?
- Category
- Broadcast Receiver - or past WW2 Tuner
- Radiomuseum.org ID
- 48940
Click on the schematic thumbnail to request the schematic as a free document.
- Number of Tubes
- 5
- Main principle
- Superheterodyne (common); ZF/IF 455 kHz; 2 AF stage(s)
- Tuned circuits
- 6 AM circuit(s)
- Wave bands
- Broadcast only (MW).
- Power type and voltage
- AC/DC-set / 105 - 125 Volt
- Loudspeaker
- Permanent Magnet Dynamic (PDyn) Loudspeaker (moving coil) / Ø 4 inch = 10.2 cm
- Material
- Plastics (no bakelite or catalin)
- from Radiomuseum.org
- Model: 58G11 Ch= HS-160 - Motorola Inc. ex Galvin Mfg.Co
- Shape
- Tablemodel without push buttons, Mantel/Midget/Compact up to 14
- Notes
- Color=Walnut
- External source of data
- Ernst Erb
- Source of data
- Collector's Guide to Antique Radios 4. Edition
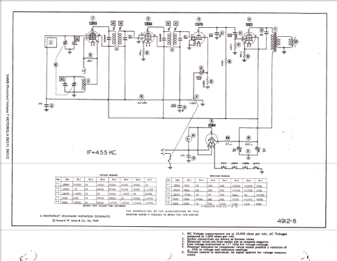
- Circuit diagram reference
- Rider's Perpetual, Volume 20 covering 1950
- Literature/Schematics (1)
- Photofact Folder, Howard W. SAMS (Set #64 Folder #8 dated 6-49)
- Other Models
-
Here you find 4655 models, 2982 with images and 4154 with schematics for wireless sets etc. In French: TSF for Télégraphie sans fil.
All listed radios etc. from Motorola Inc. (ex Galvin Mfg.Co. Chicago); Schaumburg (IL)
Collections
The model 58G11 is part of the collections of the following members.