5X23U Ch= HS-259 ivory
Motorola Inc. (ex Galvin Mfg.Co. Chicago); Schaumburg (IL)
- Country
- United States of America (USA)
- Manufacturer / Brand
- Motorola Inc. (ex Galvin Mfg.Co. Chicago); Schaumburg (IL)
- Year
- 1950 ?
- Category
- Broadcast Receiver - or past WW2 Tuner
- Radiomuseum.org ID
- 49057
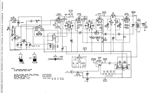
Click on the schematic thumbnail to request the schematic as a free document.
- Number of Tubes
- 5
- Main principle
- Superheterodyne (common); ZF/IF 455 kHz; 2 AF stage(s)
- Tuned circuits
- 6 AM circuit(s)
- Wave bands
- Broadcast and Short Wave (SW).
- Power type and voltage
- AC/DC-set / 117V = 110 -120 Volt
- Loudspeaker
- Permanent Magnet Dynamic (PDyn) Loudspeaker (moving coil) / Ø 4 inch = 10.2 cm
- Material
- Bakelite case
- from Radiomuseum.org
- Model: 5X23U Ch= HS-259 [ivory] - Motorola Inc. ex Galvin Mfg.Co
- Shape
- Tablemodel without push buttons, Mantel/Midget/Compact up to 14
- Notes
-
Motorola model 5X23U is an AC-DC operated 2 band superheterodyne receiver with loop antenna. Color=Ivory, bakelite with chrome. Available in brown (Model 5X21U), black (Model 5X22U) or ivory (5X23U).
- External source of data
- Ernst Erb
- Source of data
- The Radio Collector's Directory and Price Guide 1921 - 1965
- Circuit diagram reference
- Rider's Perpetual, Volume 21, Copyright 1950
- Mentioned in
- Table Top Radios Vol. 1 Stein 98 (page 117.)
- Literature/Schematics (1)
- Photofact Folder, Howard W. SAMS (Set 120 folder 9 dated 1-51)
- Other Models
-
Here you find 4655 models, 2982 with images and 4154 with schematics for wireless sets etc. In French: TSF for Télégraphie sans fil.
All listed radios etc. from Motorola Inc. (ex Galvin Mfg.Co. Chicago); Schaumburg (IL)