67T61BN Ch= HS-69
Motorola Inc. (ex Galvin Mfg.Co. Chicago); Schaumburg (IL)
- Produttore / Marca
- Motorola Inc. (ex Galvin Mfg.Co. Chicago); Schaumburg (IL)
- Anno
- 1949 ??
- Categoria
- Radio (o sintonizzatore del dopoguerra WW2)
- Radiomuseum.org ID
- 49159
Clicca sulla miniatura dello schema per richiederlo come documento gratuito.
- Numero di tubi
- 6
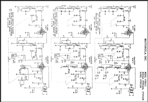
- Principio generale
- Supereterodina con stadio RF; ZF/IF 455 kHz; 2 Stadi BF
- N. di circuiti accordati
- 8 Circuiti Mod. Amp. (AM)
- Gamme d'onda
- Onde medie (OM) e più di 2 gamme di onde corte (> 2 x OC).
- Particolarità
- Giradischi o cambiadischi
- Tensioni di funzionamento
- Alimentazione a corrente alternata (CA) / 115; 130; 240 Volt
- Altoparlante
- AP elettrodinamico (bobina mobile e bobina di eccitazione/di campo) / Ø 6 inch = 15.2 cm
- Materiali
- Mobile in legno
- Radiomuseum.org
- Modello: 67T61BN Ch= HS-69 - Motorola Inc. ex Galvin Mfg.Co
- Forma
- Soprammobile con qualsiasi forma (non saputo).
- Annotazioni
- Frequency Ranges:
BC band - 532 to 1620 kc
SW1 - 3 to 9.1 mc
SW2 - 8.8 to 10.6 mc
SW3 - 10.5 to 13.9 mc
SW4 - 13.8 to 16.6 mc
SW5 - 16.5 to 22.5 mc
- Fonte esterna dei dati
- Ernst Erb
- Riferimenti schemi
- Rider's Perpetual, Volume 17 = 1948 and before
- Altri modelli
-
In questo link sono elencati 4655 modelli, di cui 2982 con immagini e 4153 con schemi.
Elenco delle radio e altri apparecchi della Motorola Inc. (ex Galvin Mfg.Co. Chicago); Schaumburg (IL)