6T15S Ch= HS-680
Motorola Inc. (ex Galvin Mfg.Co. Chicago); Schaumburg (IL)
- Produttore / Marca
- Motorola Inc. (ex Galvin Mfg.Co. Chicago); Schaumburg (IL)
- Anno
- 1959
- Categoria
- Radio (o sintonizzatore del dopoguerra WW2)
- Radiomuseum.org ID
- 72172
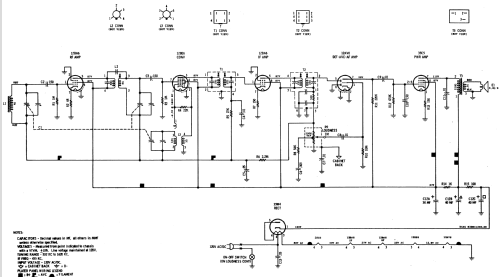
Clicca sulla miniatura dello schema per richiederlo come documento gratuito.
- Numero di tubi
- 6
- Principio generale
- Supereterodina con stadio RF; ZF/IF 455 kHz
- N. di circuiti accordati
- 7 Circuiti Mod. Amp. (AM)
- Gamme d'onda
- Solo onde medie (OM).
- Tensioni di funzionamento
- Alimentazione universale (doppia: CC/CA) / 110 - 120 Volt
- Altoparlante
- AP magnetodinamico ellittico (magnete permanente e bobina mobile).
- Materiali
- Plastica (non bachelite o catalina)
- Radiomuseum.org
- Modello: 6T15S Ch= HS-680 - Motorola Inc. ex Galvin Mfg.Co
- Forma
- Soprammobile compatto/con bordi arrotondati/midget senza pulsantiera/tastiera.<= 35 cm (Sometimes with handle but for mains only).
- Annotazioni
- The Motorola Model 6T15S is an AC/DC operated 6 Tube AM Receiver. Color = Tan (front) and Tortoise Shell (rear). BC Band Tuning Range: 532 to 1620KHz. Uses 4" x 6" PM elliptical speaker. The chassis of this receiver is connected directly to the power line, thus an isolation transformer should be used when servicing this radio.
- Riferimenti schemi
- Beitman Radio Diagrams Vol. 19, 1959
- Letteratura / Schemi (1)
- Photofact Folder, Howard W. SAMS (Date 9-59, Set 456, Folder 15)
- Letteratura / Schemi (2)
- - - Manufacturers Literature
- Autore
- Modello inviato da Hinrich Grensemann † 15.5.16. Utilizzare "Proponi modifica" per inviare ulteriori dati.
- Altri modelli
-
In questo link sono elencati 4655 modelli, di cui 2982 con immagini e 4154 con schemi.
Elenco delle radio e altri apparecchi della Motorola Inc. (ex Galvin Mfg.Co. Chicago); Schaumburg (IL)