76MF (SR) Ch= B7A-18805-B1 Ford
Motorola Inc. (ex Galvin Mfg.Co. Chicago); Schaumburg (IL)
- Pays
- Etats-Unis
- Fabricant / Marque
- Motorola Inc. (ex Galvin Mfg.Co. Chicago); Schaumburg (IL)
- Année
- 1958
- Catégorie
- Autoradio, ev. avec cassette
- Radiomuseum.org ID
- 84178
Cliquez sur la vignette du schéma pour le demander en tant que document gratuit.
- No. de tubes
- 6
- No. de transistors
- 2
- Principe général
- Super hétérodyne avec étage HF; FI/IF 262.5 kHz; 3 Etage(s) BF
- Circuits accordés
- 7 Circuits MA (AM)
- Gammes d'ondes
- PO uniquement
- Tension / type courant
- Accumulateur (par exemple pour autoradios ou radio) / 12 Volt
- Haut-parleur
- HP dynamique oval à aimant permanent
- Matière
- Boitier métallique
- De Radiomuseum.org
- Modèle: 76MF Ch= B7A-18805-B1 [Ford] - Motorola Inc. ex Galvin Mfg.Co
- Forme
- Chassis (pour intégration dans meuble)
- Remarques
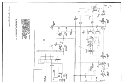
- Transistor Push-pull output stage. This model has manual, push-button and automatic search tuning; uses a negative ground; frequency of BC:540 - 1610; and is electronically identical to 86MF.
- Source du schéma
- Beitman Radio Diagrams Vol. 18, 1958
- Littérature
- Motorola Service Manual
- Schémathèque (1)
- Photofact Folder, Howard W. SAMS (Date 8-58, Set 408, Folder 7)
- Auteur
- Modèle crée par Egon Penker. Voir les propositions de modification pour les contributeurs supplémentaires.
- D'autres Modèles
-
Vous pourrez trouver sous ce lien 4653 modèles d'appareils, 2980 avec des images et 4153 avec des schémas.
Tous les appareils de Motorola Inc. (ex Galvin Mfg.Co. Chicago); Schaumburg (IL)