21T60MG Ch= QTS-544
Motorola Inc. (ex Galvin Mfg.Co. Chicago); Schaumburg (IL)
- Pays
- Etats-Unis
- Fabricant / Marque
- Motorola Inc. (ex Galvin Mfg.Co. Chicago); Schaumburg (IL)
- Année
- 1959
- Catégorie
- Récepteur de télévision ou moniteur
- Radiomuseum.org ID
- 187225
Cliquez sur la vignette du schéma pour le demander en tant que document gratuit.
- No. de tubes
- 19
- Lampes / Tubes
- 21CBP4A
- Principe général
- Super hétérodyne avec étage HF
- Gammes d'ondes
- VHF/UHF (voir details en note)
- Tension / type courant
- Alimentation Courant Alternatif (CA) / 110 - 120 Volt
- Haut-parleur
- HP dynamique à aimant permanent + bobine mobile
- De Radiomuseum.org
- Modèle: 21T60MG Ch= QTS-544 - Motorola Inc. ex Galvin Mfg.Co
- Remarques
- 21" b/w TV with US standard VHF Tuner Channels 2 thru 13, 14 thru 83 UHF. Tubes UHF: 20.
- Schémathèque (1)
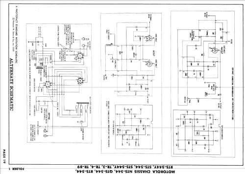
- Photofact Folder, Howard W. SAMS (Date 5-59, Set 440, Folder 1)
- Auteur
- Modèle crée par Egon Penker. Voir les propositions de modification pour les contributeurs supplémentaires.
- D'autres Modèles
-
Vous pourrez trouver sous ce lien 4655 modèles d'appareils, 2982 avec des images et 4154 avec des schémas.
Tous les appareils de Motorola Inc. (ex Galvin Mfg.Co. Chicago); Schaumburg (IL)