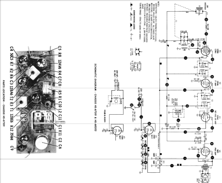
AT31BE Ch= HS-68202
Motorola Inc. (ex Galvin Mfg.Co. Chicago); Schaumburg (IL)
- Country
- United States of America (USA)
- Manufacturer / Brand
- Motorola Inc. (ex Galvin Mfg.Co. Chicago); Schaumburg (IL)
- Year
- 1965 ?
- Category
- Broadcast Receiver - or past WW2 Tuner
- Radiomuseum.org ID
- 94051
Click on the schematic thumbnail to request the schematic as a free document.
- Number of Tubes
- 5
- Main principle
- Superheterodyne (common); ZF/IF 455 kHz; 2 AF stage(s)
- Tuned circuits
- 6 AM circuit(s)
- Wave bands
- Broadcast only (MW).
- Power type and voltage
- AC/DC-set / Either AC 60 cycles, 120V or DC, 120 Volt
- Loudspeaker
- 2 Loudspeakers
- Material
- Plastics (no bakelite or catalin)
- from Radiomuseum.org
- Model: AT31BE Ch= HS-68202 - Motorola Inc. ex Galvin Mfg.Co
- Shape
- Tablemodel without push buttons, Mantel/Midget/Compact up to 14
- Notes
-
The Motorola AT31BE is an AC/DC operated 5 tube BC band receiver. Has built-in loop antenna. BC band tuning range is 535 to 1620kHz. Cabinet color is Brown. Has Qty(1) 3.5" PM speaker and Qty(1) 4" PM speaker.
The following models use the same schematic and cabinet but have different cabinet colors:
Model Number Cabinet Color AT31BE Brown AT31BG Green AT31BH White AT31BN Beige
- Circuit diagram reference
- Beitman Radio Diagrams Vol. 26, 1966
- Literature/Schematics (1)
- - - Manufacturers Literature (Motorola Datasheet 68P63010A46 Dated 3-66)
- Literature/Schematics (2)
- Beitman Radio Diagrams, Vol. 26, 1966 (Page 69)
- Author
- Model page created by Egon Penker. See "Data change" for further contributors.
- Other Models
-
Here you find 4653 models, 2980 with images and 4153 with schematics for wireless sets etc. In French: TSF for Télégraphie sans fil.
All listed radios etc. from Motorola Inc. (ex Galvin Mfg.Co. Chicago); Schaumburg (IL)