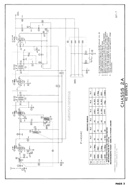
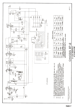
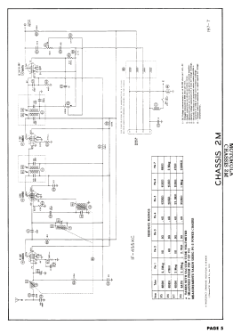
KR2A Kaiser Ch= 2A, Power chassis P6-2 or P8-2
Motorola Inc. (ex Galvin Mfg.Co. Chicago); Schaumburg (IL)
- Produttore / Marca
 - Motorola Inc. (ex Galvin Mfg.Co. Chicago); Schaumburg (IL)
 
- Anno
 - 1952 ?
 
- Categoria
 - Autoradio, eventualmente con registratore a cassette o giradischi
 
- Radiomuseum.org ID
 - 85866
 
Clicca sulla miniatura dello schema per richiederlo come documento gratuito.
- Numero di tubi
 - 4
 
- Principio generale
 - Supereterodina con stadio RF; ZF/IF 455 kHz; 2 Stadi BF
 
- N. di circuiti accordati
 - 7 Circuiti Mod. Amp. (AM)
 
- Gamme d'onda
 - Solo onde medie (OM).
 
- Tensioni di funzionamento
 - Batteria di accumulatori, per tutto (es. autoradio, radio amatoriali) / 6 Volt
 
- Altoparlante
 - - Per cuffie o amplificatori esterni
 
- Materiali
 - Mobile di metallo
 
- Radiomuseum.org
 - Modello: KR2A Kaiser Ch= 2A, Power chassis P6-2 or P8-2 - Motorola Inc. ex Galvin Mfg.Co
 
- Forma
 - Chassis o in scatola da montaggio
 
- Annotazioni
 - 
        
Motorola model KR2A is a battery operated automobile superheterodyne receiver for the
1942, 1946 thru 1952 Buick (except 1942 thru 1948 Buick Special) and others; see Photofact for additional car models supported. Note that this radio may have been available as a retrofit.The above Tuner Units must be used with a separate Audio & Power Unit (Motorola Models P6-2 or P8-2) to form a complete radio receiver. Note that only the receiver tubes are listed.
The P6-2 unit used a single Audio Power Output tube 6AQ5. The B+ voltage was generated with a Vibrator (6V car battery) and rectifier tube 6X4.The P8-2 unit used an Audio Inverter tube 6AT6 to drive Auto Power Output push-pull tubes 6AQ5 & 6AQ5. The B+ voltage was generated with a Vibrator (6V car battery) and rectifier tube 6X4.
 
- Letteratura / Schemi (1)
 - Beitman Radio Diagrams, Vol. 12, 1952
 
- Letteratura / Schemi (2)
 - Photofact Folder, Howard W. SAMS (Set 197, folder 7, dated 3-53)
 
- Autore
 - Modello inviato da Walter Wiesmüller † May 2012. Utilizzare "Proponi modifica" per inviare ulteriori dati.
 
- Altri modelli
 - 
        
In questo link sono elencati 4655 modelli, di cui 2982 con immagini e 4154 con schemi.
Elenco delle radio e altri apparecchi della Motorola Inc. (ex Galvin Mfg.Co. Chicago); Schaumburg (IL)