- Country
- United States of America (USA)
- Manufacturer / Brand
- Motorola Inc. (ex Galvin Mfg.Co. Chicago); Schaumburg (IL)
- Year
- 1959
- Category
- Car Radio, perhaps also + sound player/recorder
- Radiomuseum.org ID
- 144845
Click on the schematic thumbnail to request the schematic as a free document.
- Number of Tubes
- 4
- Number of Transistors
- 2
- Main principle
- Superheterodyne (common); ZF/IF 262,5 kHz
- Wave bands
- Broadcast only (MW).
- Power type and voltage
- Storage Battery for all (e.g. for car radios and amateur radios) / 12 Volt
- Loudspeaker
- - This model requires external speaker(s).
- Material
- Metal case
- from Radiomuseum.org
- Model: Mopar 860 - Motorola Inc. ex Galvin Mfg.Co
- Shape
- Chassis only or for «building in»
- Notes
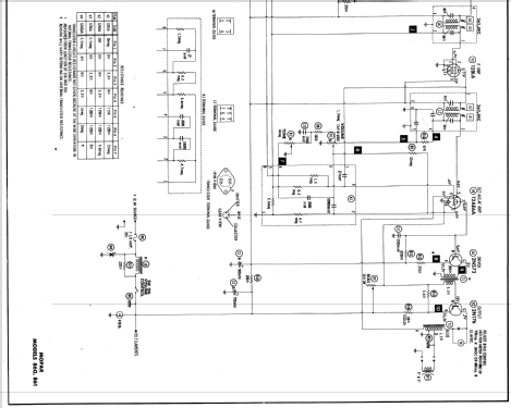
- Sams photofact set 471 folder 8 date 1-60 features the Motorola models 860 and 861 as the same schematic. Model 860 is for 1959 Plymouth and model 861 for Chrysler Export model autos.
- Literature/Schematics (1)
- Photofact Folder, Howard W. SAMS (Set 471 folder 8 date 1-60)
- Author
- Model page created by Peter Hoddow. See "Data change" for further contributors.
- Other Models
-
Here you find 4655 models, 2982 with images and 4154 with schematics for wireless sets etc. In French: TSF for Télégraphie sans fil.
All listed radios etc. from Motorola Inc. (ex Galvin Mfg.Co. Chicago); Schaumburg (IL)