- Land
- USA
- Hersteller / Marke
- Motorola Inc. (ex Galvin Mfg.Co. Chicago); Schaumburg (IL)
- Jahr
- 1957 ?
- Kategorie
- Autoradio, evtl. kombiniert mit Tonspeichergerät
- Radiomuseum.org ID
- 84170
Klicken Sie auf den Schaltplanausschnitt, um diesen kostenlos als Dokument anzufordern.
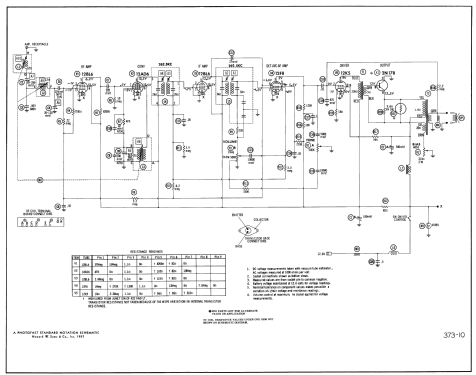
- Anzahl Röhren
- 5
- Anzahl Transistoren
- 1
- Hauptprinzip
- Super mit HF-Vorstufe; ZF/IF 262.5 kHz; 3 NF-Stufe(n)
- Anzahl Kreise
- 7 Kreis(e) AM
- Wellenbereiche
- Mittelwelle, keine anderen.
- Betriebsart / Volt
- AKKU-Speisung (für alles, z.B. bei Autoradios und Amateurgeräten) / 12 Volt
- Lautsprecher
- Dynamischer (permanent) Ovallautsprecher
- Material
- Metallausführung
- von Radiomuseum.org
- Modell: OEA7X - Motorola Inc. ex Galvin Mfg.Co
- Form
- Chassis - Einbaugerät
- Bemerkung
-
Motorola model OEA7X is a battery operated custom built AM automobile receiver with transistorized output.
- Schaltungsnachweis
- Beitman Radio Diagrams Vol. 18, 1958
- Literaturnachweis
- Photofact Folder, Howard W. SAMS (Set 373 Folder 10 dated 10-57)
- Autor
- Modellseite von Egon Penker angelegt. Siehe bei "Änderungsvorschlag" für weitere Mitarbeit.
- Weitere Modelle
-
Hier finden Sie 4653 Modelle, davon 2980 mit Bildern und 4153 mit Schaltbildern.
Alle gelisteten Radios usw. von Motorola Inc. (ex Galvin Mfg.Co. Chicago); Schaumburg (IL)