PP90AU Ch= HS-1242 + HS-1266
Motorola Inc. (ex Galvin Mfg.Co. Chicago); Schaumburg (IL)
- Land
- USA
- Hersteller / Marke
- Motorola Inc. (ex Galvin Mfg.Co. Chicago); Schaumburg (IL)
- Jahr
- 1964
- Kategorie
- Ton-/Bildspeichergerät oder -Spieler
- Radiomuseum.org ID
- 284771
Klicken Sie auf den Schaltplanausschnitt, um diesen kostenlos als Dokument anzufordern.
- Anzahl Transistoren
- 14
- Halbleiter
- 2N2926 2N2926 2N2926 2N2926 2N2926 2N2926 SF1714 SP1481 SP1481 SP1482 SP1482 SF1714 SP1481 SP1481
- Hauptprinzip
- NF-Verstärkung
- Wellenbereiche
- - ohne
- Spezialitäten
- Plattenspieler+NFV+LS
- Betriebsart / Volt
- Wechselstromspeisung / 120 Volt
- Lautsprecher
- 4 Lautsprecher
- Belastbarkeit / Leistung
- 20 W (Qualität unbekannt)
- Material
- Diverses Material
- von Radiomuseum.org
- Modell: PP90AU Ch= HS-1242 + HS-1266 - Motorola Inc. ex Galvin Mfg.Co
- Form
- Tischgerät, Truhenform, meist mit Deckel (NICHT Schrägpult).
- Bemerkung
-
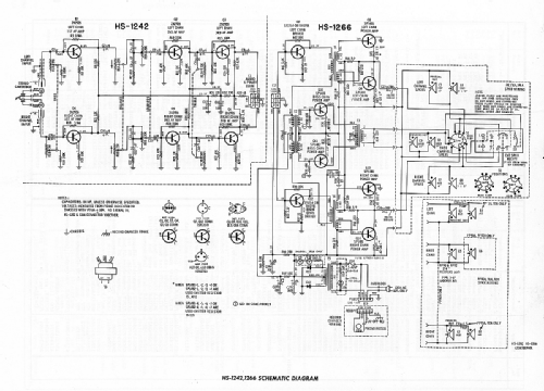
This is an all-transistor, stereophonic, three-channel record player/changer. Chassis HS-1242 is the pre-amplifier and chassis HS-1266 is the power supply and audio amplifier.
The following table lists the differences between the various models that share the same chassis.
Model
Type
No. of Speakers
Cabinet Colors
PK190AW
Console
6
Walnut
PK191AD
Console
6
Mahogany
PP90AU
Portable
4
Bronze
PP90AN
Portable
4
Charcoal brown
PP91AN
Portable
5
Walnut & Beige
PP91AW
Portable
5
Walnut & Charcoal brown
PP92AW
Portable
6
Walnut
- Literatur/Schema (1)
- Beitman Radio Diagrams, Vol. 25, 1965 (Motorola Service Manual 68P60084A67, dated 11-64)
- Autor
- Modellseite von David Erali angelegt. Siehe bei "Änderungsvorschlag" für weitere Mitarbeit.
- Weitere Modelle
-
Hier finden Sie 4653 Modelle, davon 2980 mit Bildern und 4153 mit Schaltbildern.
Alle gelisteten Radios usw. von Motorola Inc. (ex Galvin Mfg.Co. Chicago); Schaumburg (IL)