SK152 Ch= HS-1199 + HS-1200-1
Motorola Inc. (ex Galvin Mfg.Co. Chicago); Schaumburg (IL)
- Country
- United States of America (USA)
- Manufacturer / Brand
- Motorola Inc. (ex Galvin Mfg.Co. Chicago); Schaumburg (IL)
- Year
- 1964 ?
- Category
- Sound/Video Recorder and/or Player
- Radiomuseum.org ID
- 92874
Click on the schematic thumbnail to request the schematic as a free document.
- Number of Tubes
- 13
- Valves / Tubes
- 12AX7A 12AX7A 12AX7A 12AX7A 12AX7A 12AX7A 6V6GTA 6V6GTA 6V6GTA 6V6GTA 6V6GTA 6V6GTA 3DG4
- Main principle
- Audio-Amplification
- Wave bands
- - without
- Details
- Rec.Player+Audio.Amp+LS
- Power type and voltage
- Alternating Current supply (AC) / 120 Volt
- Loudspeaker
- 7 or more Loudspeakers
- from Radiomuseum.org
- Model: SK152 Ch= HS-1199 + HS-1200-1 - Motorola Inc. ex Galvin Mfg.Co
- Notes
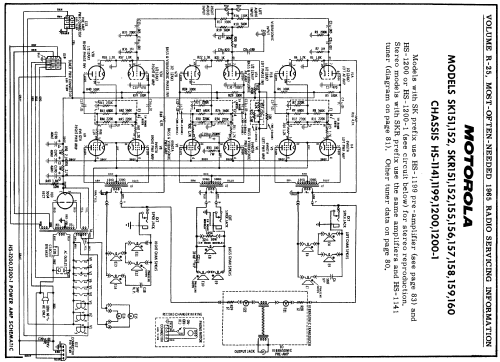
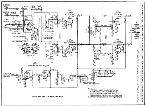
- Chassis HS-1199 Pre-Amplifier; HS-1200, -1 Power Amplifier with bass vibrasonic
Chassis used in Modells SK151 and SK152.
- Circuit diagram reference
- Beitman Radio Diagrams Vol. 25, 1965
- Author
- Model page created by Egon Penker. See "Data change" for further contributors.
- Other Models
-
Here you find 4653 models, 2980 with images and 4153 with schematics for wireless sets etc. In French: TSF for Télégraphie sans fil.
All listed radios etc. from Motorola Inc. (ex Galvin Mfg.Co. Chicago); Schaumburg (IL)