SK25B Ch= HS-590 HS-607 HS-738 HS-755
Motorola Inc. (ex Galvin Mfg.Co. Chicago); Schaumburg (IL)
- Pays
- Etats-Unis
- Fabricant / Marque
- Motorola Inc. (ex Galvin Mfg.Co. Chicago); Schaumburg (IL)
- Année
- 1959
- Catégorie
- Radio - ou tuner d'après la guerre 1939-45
- Radiomuseum.org ID
- 212080
Cliquez sur la vignette du schéma pour le demander en tant que document gratuit.
- No. de tubes
- 19
- Lampes / Tubes
- 12AX7 12AX7 12AU7 6BQ5 6BQ5 5Y3GT 12AX7 6CA7 6CA7 5U4GB 6BQ7A 6BA6 6BE6 6BA6 6DA5 6AU6 6AL5 12AU7A 6X4
- Principe général
- Super hétérodyne avec étage HF; FI/IF 455/10700 kHz
- Gammes d'ondes
- PO et FM
- Particularités
- Tourne disque avec changeur
- Tension / type courant
- Alimentation Courant Alternatif (CA) / 120 Volt
- Haut-parleur
- 5 HP
- Matière
- Boitier en bois
- De Radiomuseum.org
- Modèle: SK25B Ch= HS-590 HS-607 HS-738 HS-755 - Motorola Inc. ex Galvin Mfg.Co
- Forme
- Console avec pieds bas < 50% de la hauteur
- Remarques
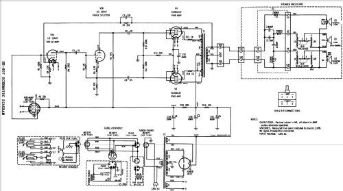
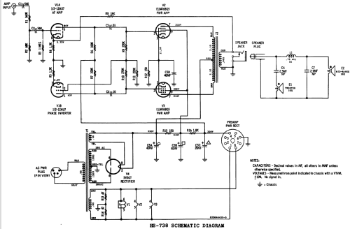
- The Motorola Model SK25B is a two-piece AC operated 19 Tube AM-FM Receiver with a stereo Phono Amplifier and a 4 Speed Automatic Record Changer. Uses AM-FM tuner chassis HS-590, pre-amp chassis HS-755, Left channel power amplifier chassis HS-738 and Right channel power amplifier chassis HS-607 . Cabinet is Blonde Oak. This model has Qty(1) 15" PM speaker, Qty(2) PM mid-range horns and Qty(2) PM tweeter horns. Uses Record Changer VM24RC. Left output power is 10W, Right output power is 25W.
- Source
- - - Manufacturers Literature
- Auteur
- Modèle crée par John Kusching. Voir les propositions de modification pour les contributeurs supplémentaires.
- D'autres Modèles
-
Vous pourrez trouver sous ce lien 4655 modèles d'appareils, 2982 avec des images et 4153 avec des schémas.
Tous les appareils de Motorola Inc. (ex Galvin Mfg.Co. Chicago); Schaumburg (IL)