SK40B-1 Ch= HS-833
Motorola Inc. (ex Galvin Mfg.Co. Chicago); Schaumburg (IL)
- País
- Estados Unidos
- Fabricante / Marca
- Motorola Inc. (ex Galvin Mfg.Co. Chicago); Schaumburg (IL)
- Año
- 1960
- Categoría
- Registrador o reproductor de sonido o visual
- Radiomuseum.org ID
- 85699
Haga clic en la miniatura esquemática para solicitarlo como documento gratuito.
- Numero de valvulas
- 6
- Principio principal
- Amplificador de Audio
- Gama de ondas
- - no hay
- Especialidades
- Tocadiscos con ampli. y altavoz
- Tensión de funcionamiento
- Red: Corriente alterna (CA, Inglés = AC) / 120 Volt
- Altavoz
- 3 Altavoces
- Potencia de salida
- 10 W (unknown quality)
- Material
- Madera
- de Radiomuseum.org
- Modelo: SK40B-1 Ch= HS-833 - Motorola Inc. ex Galvin Mfg.Co
- Forma
- Consola baja, patas más cortas del 50%.
- Anotaciones
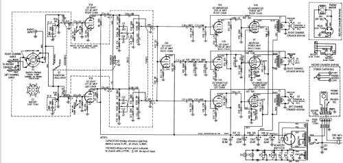
- The Motorola Model SK40B-1 is an AC operated 6 Tube, three channel stereo Phono Amplifier with 4 Speed Automatic Record Changer. Uses chassis HS-833. Cabinet is Blonde Oak. This model has Qty(1) 10" PM speaker and Qty(2) 6" PM speakers. Uses Record Changer VM42RC. Has separate bass channel that drives the 10" speaker.
- Referencia esquema
- Beitman Radio Diagrams Vol. 21, 1961
- Documentación / Esquemas (1)
- - - Manufacturers Literature
- Autor
- Modelo creado por Egon Penker. Ver en "Modificar Ficha" los participantes posteriores.
- Otros modelos
-
Donde encontrará 4655 modelos, 2982 con imágenes y 4154 con esquemas.
Ir al listado general de Motorola Inc. (ex Galvin Mfg.Co. Chicago); Schaumburg (IL)