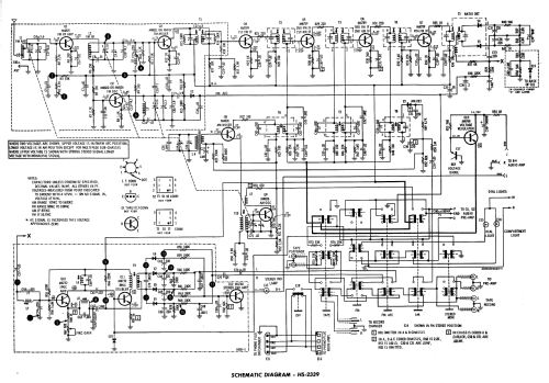
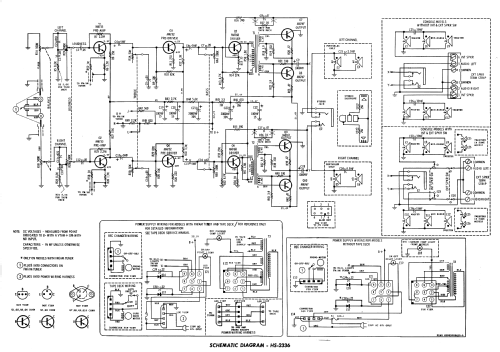
SK500B Ch= HS-2336 + HS-2339
Motorola Inc. (ex Galvin Mfg.Co. Chicago); Schaumburg (IL)
- Produttore / Marca
- Motorola Inc. (ex Galvin Mfg.Co. Chicago); Schaumburg (IL)
- Anno
- 1965
- Categoria
- Registratore audio/video e/o riproduttore
- Radiomuseum.org ID
- 284981
Clicca sulla miniatura dello schema per richiederlo come documento gratuito.
- Numero di transistor
- 23
- Semiconduttori
- Principio generale
- Supereterodina con stadio RF; ZF/IF 455/10700 kHz
- Gamme d'onda
- Onde medie (OM) e MF (FM).
- Particolarità
- Giradischi o cambiadischi
- Tensioni di funzionamento
- Alimentazione a corrente alternata (CA) / 60Hz, 120 Volt
- Altoparlante
- 6 altoparlanti
- Potenza d'uscita
- 20 W (qualità ignota)
- Materiali
- Mobile in legno
- Radiomuseum.org
- Modello: SK500B Ch= HS-2336 + HS-2339 - Motorola Inc. ex Galvin Mfg.Co
- Forma
- Console di qualsiasi tipo
- Dimensioni (LxAxP)
- 50 x 25.75 x 17 inch / 1270 x 654 x 432 mm
- Annotazioni
-
The following models are console, all-transistor, stereophonic record player/changers with a stereo AM/FM tuner. All utilize a VM116RC 4-speed automatic record changer. They use the same schematic but have different cabinet styles, colors, and number of speakers.
Model
Cabinet Color
No. of Speakers
SK500BW
Walnut
6
SK501BM
Mahogany
6
SK502BW
Walnut
8
SK503BS
Maple
8
SK504BU
Pecan
8
SK505BF
Fruitwood
8
SK506BW
Walnut
6
SK507BS
Maple
6
SK508BM
Mahogany
6
- Letteratura / Schemi (1)
- Motorola Service Manual 68P63010A19, dated 10-65
- Autore
- Modello inviato da David Erali. Utilizzare "Proponi modifica" per inviare ulteriori dati.
- Altri modelli
-
In questo link sono elencati 4653 modelli, di cui 2980 con immagini e 4153 con schemi.
Elenco delle radio e altri apparecchi della Motorola Inc. (ex Galvin Mfg.Co. Chicago); Schaumburg (IL)