TC27EN Ch= CHS-67252
Motorola Inc. (ex Galvin Mfg.Co. Chicago); Schaumburg (IL)
- Land
- USA
- Hersteller / Marke
- Motorola Inc. (ex Galvin Mfg.Co. Chicago); Schaumburg (IL)
- Jahr
- 1969
- Kategorie
- Rundfunkempfänger (Radio - oder Tuner nach WW2)
- Radiomuseum.org ID
- 215602
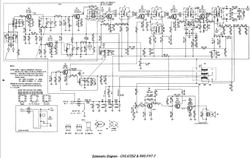
Klicken Sie auf den Schaltplanausschnitt, um diesen kostenlos als Dokument anzufordern.
- Anzahl Transistoren
- 11
- Halbleiter
- Hauptprinzip
- Superhet allgemein; ZF/IF 455/10700 kHz; 3 NF-Stufe(n)
- Anzahl Kreise
- 3 Kreis(e) AM 11 Kreis(e) FM
- Wellenbereiche
- Mittelwelle und UKW (FM).
- Betriebsart / Volt
- Wechselstromspeisung / 120 Volt
- Lautsprecher
- Dynamischer (permanent) Ovallautsprecher
- Material
- Plastikgehäuse (nicht Bakelit), Thermoplast
- von Radiomuseum.org
- Modell: TC27EN Ch= CHS-67252 - Motorola Inc. ex Galvin Mfg.Co
- Form
- Tischgerät mit integrierter Uhr (Uhrenradio, Radiowecker).
- Bemerkung
- The Motorola model TC27EN is a 11 transistor AM/FM Clock radio. AM Tuning Range: 535 to 1620 kHz. FM Tuning Range: 88 to 108 MHz. Has Qty(1) PM Elliptical 4" x 6" speaker. Cabinet color is Beige. Motorola model TC27EH uses the same schematic and chassis.
- Literatur/Schema (1)
- - - Manufacturers Literature (Motorola Datasheet 68P63012A31)
- Autor
- Modellseite von John Kusching angelegt. Siehe bei "Änderungsvorschlag" für weitere Mitarbeit.
- Weitere Modelle
-
Hier finden Sie 4653 Modelle, davon 2980 mit Bildern und 4153 mit Schaltbildern.
Alle gelisteten Radios usw. von Motorola Inc. (ex Galvin Mfg.Co. Chicago); Schaumburg (IL)