- Pays
- Etats-Unis
- Fabricant / Marque
- Motorola Inc. (ex Galvin Mfg.Co. Chicago); Schaumburg (IL)
- Année
- 1953 ?
- Catégorie
- Adaptateur ou convertisseur de fréquences (OC/MF/VHF/UFH)
- Radiomuseum.org ID
- 246282
Cliquez sur la vignette du schéma pour le demander en tant que document gratuit.
- No. de tubes
- 2
- Principe général
- Convertisseur / adaptateur HF (pas convertisseur tension)
- Gammes d'ondes
- VHF/UHF (voir details en note)
- Tension / type courant
- Alimentation externe ou alimentation principale / 60 cycles, 6.3V & DC 250 Volt
- Haut-parleur
- - - Pas de sortie basse fréquence
- Matière
- Matériaux divers
- De Radiomuseum.org
- Modèle: TK-19M - Motorola Inc. ex Galvin Mfg.Co
- Forme
- Chassis (pour intégration dans meuble)
- Remarques
-
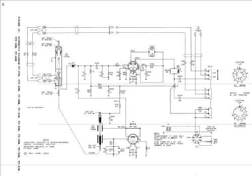
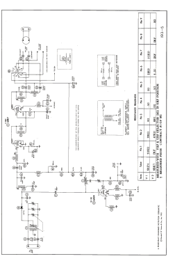
The Motorola TK-19M is custom built UHF convertor for operation with specific motorola receivers, is a 2 tube UHF converter kit. Tuning range is channels 14 thru 83. Converter output frequency is VHF channel 5 or 6. Power is supplied from TV receiver.
- Schémathèque (1)
- Photofact Folder, Howard W. SAMS (set 193, folder 5, dated 2-53)
- Schémathèque (2)
- - - Manufacturers Literature (Motorola Datasheet 68P730410)
- Auteur
- Modèle crée par John Kusching. Voir les propositions de modification pour les contributeurs supplémentaires.
- D'autres Modèles
-
Vous pourrez trouver sous ce lien 4655 modèles d'appareils, 2982 avec des images et 4153 avec des schémas.
Tous les appareils de Motorola Inc. (ex Galvin Mfg.Co. Chicago); Schaumburg (IL)