- País
- Estados Unidos
- Fabricante / Marca
- Motorola Inc. (ex Galvin Mfg.Co. Chicago); Schaumburg (IL)
- Año
- 1947 ??
- Categoría
- Radio - o Sintonizador pasado WW2
- Radiomuseum.org ID
- 48681
Haga clic en la miniatura esquemática para solicitarlo como documento gratuito.
- Numero de valvulas
- 6
- Principio principal
- Superheterodino con paso previo de RF
- Número de circuitos sintonía
- 7 Circuíto(s) AM
- Gama de ondas
- OM (onda media) solamente
- Tensión de funcionamiento
- Red / Baterías o pilas / 117 / 6 Volt
- de Radiomuseum.org
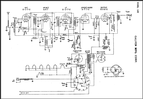
- Modelo: Tuner 10T - Motorola Inc. ex Galvin Mfg.Co
- Anotaciones
- Vibrator for +B
- Ext. procedencia de los datos
- Ernst Erb
- Referencia esquema
- Rider's Perpetual, Volume 15 = 1947 and before
- Otros modelos
-
Donde encontrará 4653 modelos, 2980 con imágenes y 4153 con esquemas.
Ir al listado general de Motorola Inc. (ex Galvin Mfg.Co. Chicago); Schaumburg (IL)