- Country
- United States of America (USA)
- Manufacturer / Brand
- Motorola Inc. (ex Galvin Mfg.Co. Chicago); Schaumburg (IL)
- Year
- 1953 ?
- Category
- Pre-stage (adaptor for SW/FM/VHF/UHF incl. built-in), Frequency converter
- Radiomuseum.org ID
- 246300
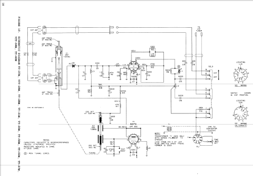
Click on the schematic thumbnail to request the schematic as a free document.
- Number of Tubes
- 2
- Main principle
- RF Converter/Adapter (not voltage converter)
- Wave bands
- VHF incl. FM and/or UHF (see notes for details)
- Power type and voltage
- Powered by external power supply or a main unit. / 60 cycles, 6.3V & DC 250 Volt
- Loudspeaker
- - - No sound reproduction output.
- Material
- Various materials
- from Radiomuseum.org
- Model: VTT-58M - Motorola Inc. ex Galvin Mfg.Co
- Shape
- Chassis only or for «building in»
- Notes
-
The Motorola VTT-58M is a 2 tube UHF converter. Tuning range is channels 14 thru 83. Converter output frequency is VHF channel 5 or 6. Power is supplied from TV receiver.
- Literature/Schematics (2)
- - - Manufacturers Literature (Motorola Datasheet 68P730410)
- Author
- Model page created by John Kusching. See "Data change" for further contributors.
- Other Models
-
Here you find 4655 models, 2982 with images and 4153 with schematics for wireless sets etc. In French: TSF for Télégraphie sans fil.
All listed radios etc. from Motorola Inc. (ex Galvin Mfg.Co. Chicago); Schaumburg (IL)