Y19K11WA Ch= TS-435Y
Motorola Inc. (ex Galvin Mfg.Co. Chicago); Schaumburg (IL)
- Country
- United States of America (USA)
- Manufacturer / Brand
- Motorola Inc. (ex Galvin Mfg.Co. Chicago); Schaumburg (IL)
- Year
- 1960
- Category
- Television Receiver (TV) or Monitor
- Radiomuseum.org ID
- 234709
Click on the schematic thumbnail to request the schematic as a free document.
- Number of Tubes
- 16
- Valves / Tubes
- 2AF4A 4ES8 5EU8 3BZ6 3BZ6 8GN8 3BU8 or 3GS8 3BU8 3DT6 8BQ5 5EA8 or 5GH8 12DQ6B 12AF3 3A3 7EY6 19AFP4
- Main principle
- Superhet with RF-stage
- Wave bands
- VHF incl. FM and/or UHF (see notes for details)
- Power type and voltage
- Alternating Current supply (AC) / 60 cycles, 120 Volt
- Loudspeaker
- Permanent Magnet Dynamic (PDyn) Loudspeaker (moving coil) - elliptical
- Material
- Wooden case
- from Radiomuseum.org
- Model: Y19K11WA Ch= TS-435Y - Motorola Inc. ex Galvin Mfg.Co
- Shape
- Console with any shape - in general
- Notes
-
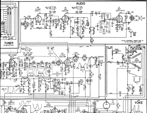
The Motorola Y19K11WA is a 19" b/w TV with US standard VHF Tuner channels 2 thru 13, 14 thru 83 UHF. Equipped with chassis TS-435, VHF tuner TT-133, UHF tuner VTT-600 and picture tube 19AFP4. Uses Elliptical 5.5" x 7.5" PM speaker. Console model, walnut cabinet. Has Qty(2) Selenium Rectifiers used for the phase detector, Qty(2) diodes used for power supply rectification and Qty(1) germanium diode video detector.
- Source of data
- - - Manufacturers Literature
- Literature/Schematics (1)
- - - Manufacturers Literature (Motorola Datasheet 68P65110A07)
- Literature/Schematics (2)
- Photofact Folder, Howard W. SAMS (Set 533 Folder 1 1953)
- Author
- Model page created by John Kusching. See "Data change" for further contributors.
- Other Models
-
Here you find 4653 models, 2980 with images and 4153 with schematics for wireless sets etc. In French: TSF for Télégraphie sans fil.
All listed radios etc. from Motorola Inc. (ex Galvin Mfg.Co. Chicago); Schaumburg (IL)