Y21K154CW Ch= TS-567Y
Motorola Inc. (ex Galvin Mfg.Co. Chicago); Schaumburg (IL)
- País
- Estados Unidos
- Fabricante / Marca
- Motorola Inc. (ex Galvin Mfg.Co. Chicago); Schaumburg (IL)
- Año
- 1959 ?
- Categoría
- Televisión (TV) o monitor
- Radiomuseum.org ID
- 140195
Haga clic en la miniatura esquemática para solicitarlo como documento gratuito.
- Numero de valvulas
- 16
- Gama de ondas
- Bandas de recepción puestas en notas.
- Tensión de funcionamiento
- Red: Corriente alterna (CA, Inglés = AC) / 110 - 120 Volt
- Altavoz
- Altavoz elíptico de imán permanente.
- de Radiomuseum.org
- Modelo: Y21K154CW Ch= TS-567Y - Motorola Inc. ex Galvin Mfg.Co
- Anotaciones
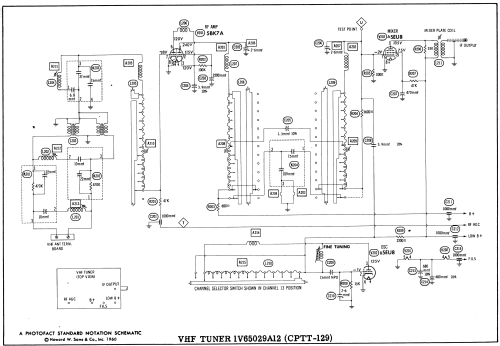
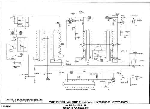
- Channels 2 thru 13 VHF, 14 thru 83 UHF. Sams photofact set 503 folder 2 date 10-60 features the Motorola models 21T73B, 21T73M, 21T73W, 21K150B, 21K150M, 21K150W, 12K151B, 21K151M, 21K151W, 21K152CW, 21K153B, 21K153M, 12K153W, 21K154CW, all with Chassis TS-567 and the models Y21T73B, Y21T73M, Y21T73W, Y21K150B, Y21K150M, Y21K150W, Y21K151B, Y21K151M, Y21K151W, Y21K152CW, Y21K153B, Y21K153M, Y21K153W, Y21K154CW all with Chassis TS567Y as the same schematic.
- Documentación / Esquemas (1)
- Photofact Folder, Howard W. SAMS (Set 503 folder 2 date 10-60)
- Autor
- Modelo creado por Peter Hoddow. Ver en "Modificar Ficha" los participantes posteriores.
- Otros modelos
-
Donde encontrará 4653 modelos, 2980 con imágenes y 4153 con esquemas.
Ir al listado general de Motorola Inc. (ex Galvin Mfg.Co. Chicago); Schaumburg (IL)