Y21K37BR VTS-534Y
Motorola Inc. (ex Galvin Mfg.Co. Chicago); Schaumburg (IL)
- Land
- USA
- Hersteller / Marke
- Motorola Inc. (ex Galvin Mfg.Co. Chicago); Schaumburg (IL)
- Jahr
- 1956 ?
- Kategorie
- Fernseh-Empfänger/Monitor
- Radiomuseum.org ID
- 292956
Klicken Sie auf den Schaltplanausschnitt, um diesen kostenlos als Dokument anzufordern.
- Anzahl Röhren
- 20
- Röhren
- 6BC8 6U8 5AF4A 6BZ6 6BZ6 6CB6 12BY7 6AU6 6AU6 6AU6 6AL5 6SN7GTB 6W6GT 6SN7GT 6BL7GT 6SN7GT 6CD6G 6AU4GT 1B3GT 21ALP4A
- Hauptprinzip
- Super mit HF-Vorstufe
- Wellenbereiche
- Wellen in den Bemerkungen.
- Betriebsart / Volt
- Wechselstromspeisung / 60 cycles, 117V = 110 -120 Volt
- Lautsprecher
- Dynamischer LS, keine Erregerspule (permanentdynamisch)
- Material
- Metallausführung
- von Radiomuseum.org
- Modell: Y21K37BR VTS-534Y - Motorola Inc. ex Galvin Mfg.Co
- Form
- Tischmodell, Zusatz nicht bekannt - allgemein.
- Bemerkung
- 
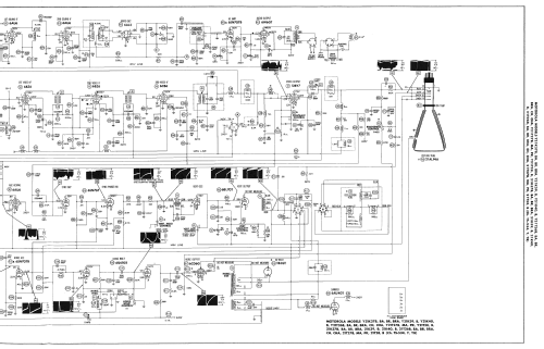
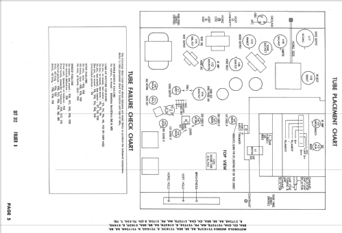
        The Motorola Y21K37BR is a 21" b/w TV with US standard VHF Tuner channels 2 thru 13, 14 thru 83 UHF. Equipped with chassis VTS-534Y, VHF tuner TT-80, UHF tuner RTT-37 and picture tube 21ALP4A. Has Qty(2) Selenium Rectifiers and Qty(1) germanium diode detector. 
- Literatur/Schema (1)
- Photofact Folder, Howard W. SAMS (Set 312 Folder 8 dated 4-56)
- Autor
- Modellseite von Dirk Taekels angelegt. Siehe bei "Änderungsvorschlag" für weitere Mitarbeit.
- Weitere Modelle
- 
        Hier finden Sie 4655 Modelle, davon 2982 mit Bildern und 4154 mit Schaltbildern. 
 Alle gelisteten Radios usw. von Motorola Inc. (ex Galvin Mfg.Co. Chicago); Schaumburg (IL)
 
                
                
                
                
                
                
                
                
                
                
                
                
                
                
                
                
                
               