Y21K40 Ch= WTS-534Y
Motorola Inc. (ex Galvin Mfg.Co. Chicago); Schaumburg (IL)
- Produttore / Marca
- Motorola Inc. (ex Galvin Mfg.Co. Chicago); Schaumburg (IL)
- Anno
- 1956 ?
- Categoria
- Televisore (TV) / Monitor
- Radiomuseum.org ID
- 293133
Clicca sulla miniatura dello schema per richiederlo come documento gratuito.
- Numero di tubi
- 20
- Valvole
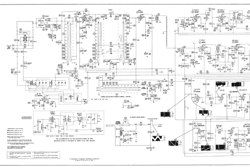
- 6BC8 6U8 5AF4A 6BZ6 6BZ6 6CB6 12BY7 6AU6 6AU6 6AU6 6AL5 6SN7GTB 6W6GT 6SN7GT 6BL7GT 6SN7GT 6CD6G 6AU4GT 1B3GT 21ALP4A
- Principio generale
- Supereterodina con stadio RF
- Gamme d'onda
- Gamme d'onda nelle note.
- Tensioni di funzionamento
- Alimentazione a corrente alternata (CA) / 60 cycles, 117V = 110 -120 Volt
- Materiali
- Mobile di metallo
- Radiomuseum.org
- Modello: Y21K40 Ch= WTS-534Y - Motorola Inc. ex Galvin Mfg.Co
- Forma
- Soprammobile con qualsiasi forma (non saputo).
- Annotazioni
-
The Motorola Y21K40 is a 21" b/w TV with US standard VHF Tuner channels 2 thru 13, 14 thru 83 UHF. Equipped with chassis WTS-534Y, VHF tuner TT-80, UHF tuner RTT-37 and picture tube 21ALP4A. Has Qty(2) Selenium Rectifiers and Qty(1) germanium diode detector.
- Letteratura / Schemi (1)
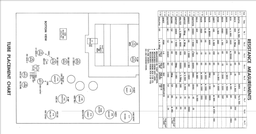
- Photofact Folder, Howard W. SAMS (Set 312 Folder 8 dated 4-56)
- Autore
- Modello inviato da Dirk Taekels. Utilizzare "Proponi modifica" per inviare ulteriori dati.
- Altri modelli
-
In questo link sono elencati 4655 modelli, di cui 2982 con immagini e 4154 con schemi.
Elenco delle radio e altri apparecchi della Motorola Inc. (ex Galvin Mfg.Co. Chicago); Schaumburg (IL)