Y21K75CW Ch= TS-544Y
Motorola Inc. (ex Galvin Mfg.Co. Chicago); Schaumburg (IL)
- Produttore / Marca
- Motorola Inc. (ex Galvin Mfg.Co. Chicago); Schaumburg (IL)
- Anno
- 1958 ?
- Categoria
- Televisore (TV) / Monitor
- Radiomuseum.org ID
- 323566
Clicca sulla miniatura dello schema per richiederlo come documento gratuito.
- Numero di tubi
- 20
- Valvole
- 2AF4A 6BC8 6U8 3BZ6 3BZ6 3CB6 12BY7A 3BU8 3CB6 3DT6 6AQ5 6CG7 6AQ5 6AL5 6CG7 6DQ6 6AU4GT 3A3 5U4GB 21CBP4A
- Principio generale
- Supereterodina con stadio RF
- Gamme d'onda
- Gamme d'onda nelle note.
- Tensioni di funzionamento
- Alimentazione a corrente alternata (CA) / 60 Hz, 117V = 110 -120 Volt
- Altoparlante
- AP magnetodinamico (magnete permanente e bobina mobile)
- Materiali
- Mobile in legno
- Radiomuseum.org
- Modello: Y21K75CW Ch= TS-544Y - Motorola Inc. ex Galvin Mfg.Co
- Forma
- Console, con gambe d'appoggio basse (< 50%).
- Annotazioni
-
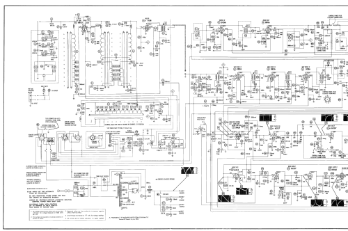
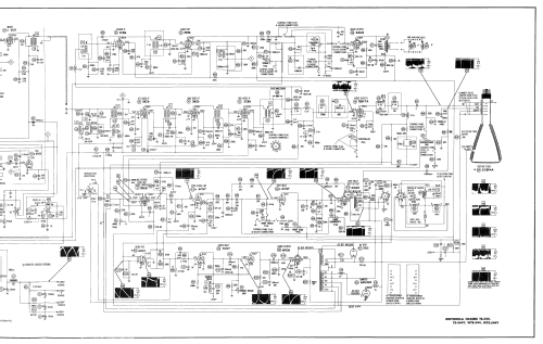
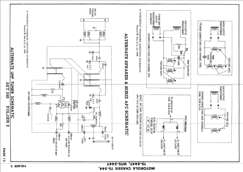
Motorola model Y21K75CW is a 21" b/w TV with US standard VHF tuner channels 2 13, and 14 thru 83 UHF. Equipped with chassis TS-544Y, VHF- tuner TT-99Y, UHF- tuner 77K744280 and picture tube 21CBP4A.
- Letteratura / Schemi (1)
- Photofact Folder, Howard W. SAMS (Set 393 Folder 2 dated 3-58)
- Autore
- Modello inviato da Dirk Taekels. Utilizzare "Proponi modifica" per inviare ulteriori dati.
- Altri modelli
-
In questo link sono elencati 4655 modelli, di cui 2982 con immagini e 4154 con schemi.
Elenco delle radio e altri apparecchi della Motorola Inc. (ex Galvin Mfg.Co. Chicago); Schaumburg (IL)