Y21K77B Ch= TS-544Y
Motorola Inc. (ex Galvin Mfg.Co. Chicago); Schaumburg (IL)
- Pays
- Etats-Unis
- Fabricant / Marque
- Motorola Inc. (ex Galvin Mfg.Co. Chicago); Schaumburg (IL)
- Année
- 1958 ?
- Catégorie
- Récepteur de télévision ou moniteur
- Radiomuseum.org ID
- 323621
Cliquez sur la vignette du schéma pour le demander en tant que document gratuit.
- No. de tubes
- 20
- Lampes / Tubes
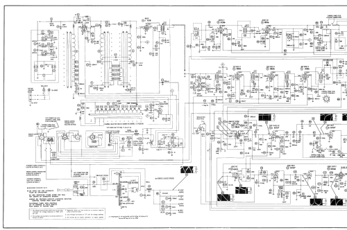
- 2AF4A 6BC8 6U8 3BZ6 3BZ6 3CB6 12BY7A 3BU8 3CB6 3DT6 6AQ5 6CG7 6AQ5 6AL5 6CG7 6DQ6 6AU4GT 3A3 5U4GB 21CBP4A
- Principe général
- Super hétérodyne avec étage HF
- Gammes d'ondes
- Bandes en notes
- Tension / type courant
- Alimentation Courant Alternatif (CA) / 60 Hz, 117V = 110 -120 Volt
- Haut-parleur
- HP dynamique à aimant permanent + bobine mobile
- Matière
- Boitier en bois
- De Radiomuseum.org
- Modèle: Y21K77B Ch= TS-544Y - Motorola Inc. ex Galvin Mfg.Co
- Forme
- Console avec pieds bas < 50% de la hauteur
- Remarques
-
Motorola model Y21K77B is a 21" b/w TV with US standard VHF tuner channels 2 13, and 14 thru 83 UHF. Equipped with chassis TS-544Y, VHF- tuner TT-99Y, UHF- tuner 77K744280 and picture tube 21CBP4A.
- Schémathèque (1)
- Photofact Folder, Howard W. SAMS (Set 393 Folder 2 dated 3-58)
- Auteur
- Modèle crée par Dirk Taekels. Voir les propositions de modification pour les contributeurs supplémentaires.
- D'autres Modèles
-
Vous pourrez trouver sous ce lien 4655 modèles d'appareils, 2982 avec des images et 4153 avec des schémas.
Tous les appareils de Motorola Inc. (ex Galvin Mfg.Co. Chicago); Schaumburg (IL)