Y21T42BA TS-544Y
Motorola Inc. (ex Galvin Mfg.Co. Chicago); Schaumburg (IL)
- Land
- USA
- Hersteller / Marke
- Motorola Inc. (ex Galvin Mfg.Co. Chicago); Schaumburg (IL)
- Jahr
- 1958 ?
- Kategorie
- Fernseh-Empfänger/Monitor
- Radiomuseum.org ID
- 323653
Klicken Sie auf den Schaltplanausschnitt, um diesen kostenlos als Dokument anzufordern.
- Anzahl Röhren
- 20
- Röhren
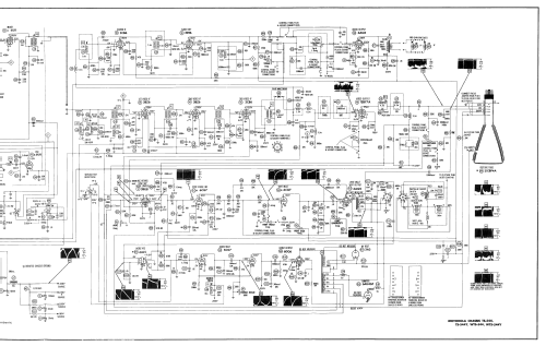
- 2AF4A 6BC8 6U8 3BZ6 3BZ6 3CB6 12BY7A 3BU8 3CB6 3DT6 6AQ5 6CG7 6AQ5 6AL5 6CG7 6DQ6 6AU4GT 3A3 5U4GB 21CBP4A
- Hauptprinzip
- Super mit HF-Vorstufe
- Wellenbereiche
- Wellen in den Bemerkungen.
- Betriebsart / Volt
- Wechselstromspeisung / 60 Hz, 117V = 110 -120 Volt
- Lautsprecher
- Dynamischer LS, keine Erregerspule (permanentdynamisch)
- Material
- Gerät mit Holzgehäuse
- von Radiomuseum.org
- Modell: Y21T42BA TS-544Y - Motorola Inc. ex Galvin Mfg.Co
- Form
- Tischmodell, Zusatz nicht bekannt - allgemein.
- Bemerkung
-
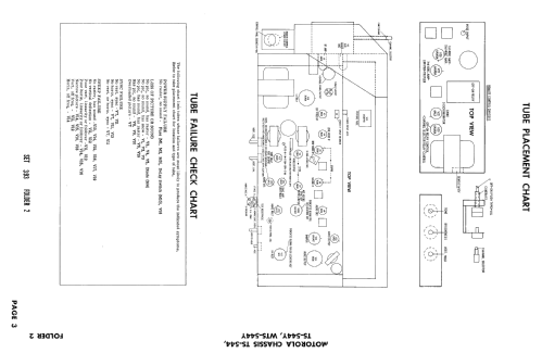
Motorola model Y21T42BA is a 21" b/w TV with US standard VHF tuner channels 2 to 13, and 14 thru 83 UHF. Equipped with chassis TS-544Y, VHF- tuner TT-99Y, UHF- tuner 77K744280 and picture tube 21CBP4A.
- Literatur/Schema (1)
- Photofact Folder, Howard W. SAMS (Set 393 Folder 2 dated 3-58)
- Autor
- Modellseite von Dirk Taekels angelegt. Siehe bei "Änderungsvorschlag" für weitere Mitarbeit.
- Weitere Modelle
-
Hier finden Sie 4655 Modelle, davon 2982 mit Bildern und 4153 mit Schaltbildern.
Alle gelisteten Radios usw. von Motorola Inc. (ex Galvin Mfg.Co. Chicago); Schaumburg (IL)