Y24K9B Ch= WTS-534Y
Motorola Inc. (ex Galvin Mfg.Co. Chicago); Schaumburg (IL)
- Pays
- Etats-Unis
- Fabricant / Marque
- Motorola Inc. (ex Galvin Mfg.Co. Chicago); Schaumburg (IL)
- Année
- 1956 ?
- Catégorie
- Récepteur de télévision ou moniteur
- Radiomuseum.org ID
- 293165
Cliquez sur la vignette du schéma pour le demander en tant que document gratuit.
- No. de tubes
- 20
- Lampes / Tubes
- 6BC8 6U8 5AF4A 6BZ6 6BZ6 6CB6 12BY7 6AU6 6AU6 6AU6 6AL5 6SN7GTB 6W6GT 6SN7GT 6BL7GT 6SN7GT 6CD6G 6AU4GT 1B3GT 24DP4A
- Principe général
- Super hétérodyne avec étage HF
- Gammes d'ondes
- Bandes en notes
- Tension / type courant
- Alimentation Courant Alternatif (CA) / 60 cycles, 117V = 110 -120 Volt
- Haut-parleur
- HP dynamique à aimant permanent + bobine mobile
- Matière
- Boitier métallique
- De Radiomuseum.org
- Modèle: Y24K9B Ch= WTS-534Y - Motorola Inc. ex Galvin Mfg.Co
- Forme
- Modèle de table générique
- Remarques
-
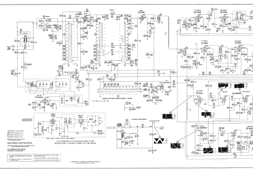
The Motorola Y24K9B is a 24" b/w TV with US standard VHF Tuner channels 2 thru 13, 14 thru 83 UHF. Equipped with chassis WTS-534Y, VHF tuner TT-80, UHF tuner RTT-37 and picture tube 24DP4A. Has Qty(2) Selenium Rectifiers and Qty(1) germanium diode detector.
- Schémathèque (1)
- Photofact Folder, Howard W. SAMS (Set 312 Folder 8 dated 4-56)
- Auteur
- Modèle crée par Dirk Taekels. Voir les propositions de modification pour les contributeurs supplémentaires.
- D'autres Modèles
-
Vous pourrez trouver sous ce lien 4653 modèles d'appareils, 2980 avec des images et 4153 avec des schémas.
Tous les appareils de Motorola Inc. (ex Galvin Mfg.Co. Chicago); Schaumburg (IL)