- Pays
- Royaume Uni
- Fabricant / Marque
- Mullard Wireless, London (see also Mullard Radio Valve)
- Année
- 1935
- Catégorie
- Radio - ou tuner d'après la guerre 1939-45
- Radiomuseum.org ID
- 117785
Cliquez sur la vignette du schéma pour le demander en tant que document gratuit.
- No. de tubes
- 4
- Principe général
- Récepteur TRF - sans réaction (pas régénératif); 1 Etage(s) BF
- Circuits accordés
- 2 Circuits MA (AM)
- Gammes d'ondes
- PO et GO
- Tension / type courant
- Alimentation Courant Alternatif (CA) / 110 - 240 Volt
- Haut-parleur
- HP dynamique à électro-aimant (électrodynamique)
- Matière
- Boitier en bois
- De Radiomuseum.org
- Modèle: MA3 - Mullard Wireless, London see
- Forme
- Modèle de table vertical décoré (pierre tombale)
- Dimensions (LHP)
- 380 x 600 x 260 mm / 15 x 23.6 x 10.2 inch
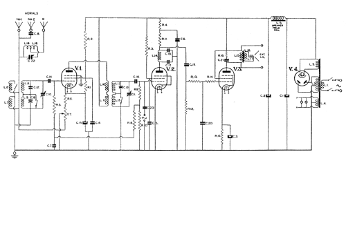
- Schémathèque (1)
- Trader sheet 591
- Auteur
- Modèle crée par Keith Staines. Voir les propositions de modification pour les contributeurs supplémentaires.
- D'autres Modèles
-
Vous pourrez trouver sous ce lien 144 modèles d'appareils, 118 avec des images et 59 avec des schémas.
Tous les appareils de Mullard Wireless, London (see also Mullard Radio Valve)