- Country
- Great Britain (UK)
- Manufacturer / Brand
- Mullard Wireless, London (see also Mullard Radio Valve)
- Year
- 1948 ??
- Category
- Broadcast Receiver - or past WW2 Tuner
- Radiomuseum.org ID
- 73677
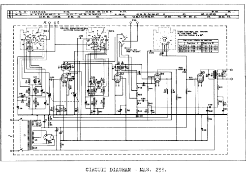
Click on the schematic thumbnail to request the schematic as a free document.
- Number of Tubes
- 5
- Main principle
- Superheterodyne (common); ZF/IF 470 kHz
- Wave bands
- Broadcast plus 2 Short Wave bands.
- Power type and voltage
- Alternating Current supply (AC) / 110-245 Volt
- Loudspeaker
- Permanent Magnet Dynamic (PDyn) Loudspeaker (moving coil) / Ø 7 inch = 17.8 cm
- Material
- Bakelite case
- from Radiomuseum.org
- Model: MAS-238 - Mullard Wireless, London see
- Dimensions (WHD)
- 15.6 x 7.3 x 9.8 inch / 396 x 185 x 249 mm
- Net weight (2.2 lb = 1 kg)
- 7 kg / 15 lb 6.7 oz (15.419 lb)
- External source of data
- World Explorers- Technical Sales Handbook
- Author
- Model page created by Mario Coelho. See "Data change" for further contributors.
- Other Models
-
Here you find 144 models, 118 with images and 59 with schematics for wireless sets etc. In French: TSF for Télégraphie sans fil.
All listed radios etc. from Mullard Wireless, London (see also Mullard Radio Valve)