Television Receiver 721CW/82 VHF/UHF Tuner PR-0253
Muntz TV Inc.; Hollywood (CA)
- Country
- United States of America (USA)
- Manufacturer / Brand
- Muntz TV Inc.; Hollywood (CA)
- Year
- 1957 ?
- Category
- Television Receiver (TV) or Monitor
- Radiomuseum.org ID
- 271958
Click on the schematic thumbnail to request the schematic as a free document.
- Number of Tubes
- 12
- Main principle
- Superhet with RF-stage
- Wave bands
- VHF incl. FM and/or UHF (see notes for details)
- Power type and voltage
- Alternating Current supply (AC) / 60 Hz, 110-120 Volt
- Loudspeaker
- Permanent Magnet Dynamic (PDyn) Loudspeaker (moving coil) / Ø 6 inch = 15.2 cm
- Material
- Wooden case
- from Radiomuseum.org
- Model: Television Receiver 721CW/82 [VHF/UHF Tuner PR-0253] - Muntz TV Inc.; Hollywood CA
- Shape
- Console with any shape - in general
- Notes
-
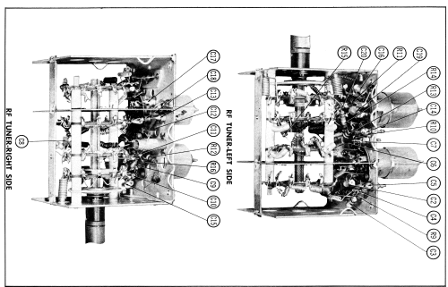
The Muntz 721CW/82 is a 21" b/w TV with US standard VHF Tuner channels 2 thru 13, 14 thru 83 UHF. Uses VHF/UHF tuner PR-0253 and picture tube 21AVP4A or 21XP4A.
- Mentioned in
- Photofact Folder, Howard W. SAMS (Set 352, Folder 12, Date 3-57)
- Author
- Model page created by Arpad Roth † 27.3.17. See "Data change" for further contributors.
- Other Models
-
Here you find 131 models, 29 with images and 125 with schematics for wireless sets etc. In French: TSF for Télégraphie sans fil.
All listed radios etc. from Muntz TV Inc.; Hollywood (CA)