• Año
  • 1935
  • Categoría
  • Radio - o Sintonizador pasado WW2
  • Radiomuseum.org ID
  • 336443

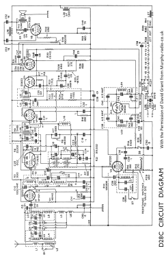
Haga clic en la miniatura esquemática para solicitarlo como documento gratuito.

 Especificaciones técnicas

  • Numero de valvulas
  • 8
  • Principio principal
  • Superheterodino en general; ZF/IF 119 kHz
  • Gama de ondas
  • OM y OL
  • Tensión de funcionamiento
  • Red: Aparato AC/DC. / 240 Volt
  • Altavoz
  • Altavoz electrodinámico (bobina de campo)
  • Material
  • Madera
  • de Radiomuseum.org
  • Modelo: D28C - Murphy Radio Ltd.; Welwyn
  • Forma
  • Consola baja, patas más cortas del 50%.
  • Anotaciones
  • 8-valve, AC/DC-powered, superhet receiver with AFC and dynamic noise suppression.

    The superheterodyne circuit comprises a signal-frequency HF amplifier, frequency changer, IF stage, double-diode rectifier and AVC valve, LF amplifier with tone correction and inter-station noise suppression, and a pentode output valve.

    There are, in addition, two valves, whose special function is to correct reasonable errors of tuning on the part of the user. They are a double diode rectifier and a pentode valve arranged to shift slightly the tracking of the oscillator in the event of careless adjustment of the tuning control. There should be little excuse for inaccurate tuning, however, for the new tuning scale, let into the top of the cabinet, is of an improved type, quite free from parallax errors.

    The medium and longwave pointers work in slots in the same plane as the scale, which, in addition to wavelength calibrations, now carries a selection of station names.
    Wireless Word, August 30, 1935 Advertisement Page 259.

    For the noise reduction description, see Forum Article.

    The cabinet is in Indian Laurel & Walnut veneers.

  • Precio durante el primer año
  • 15.00 GB £
  • Autor
  • Modelo creado por Gary Cowans. Ver en "Modificar Ficha" los participantes posteriores.

 Colecciones | Museos | Literatura

 Forum