Active Subwoofer Basis 11K
Musikelectronic Geithain, VEB; - Musikelektronik Geithain, PGH; (Ostd.)
- Country
- Germany
- Manufacturer / Brand
- Musikelectronic Geithain, VEB; - Musikelektronik Geithain, PGH; (Ostd.)
- Year
- 2005 ??
- Category
- Loudspeaker, headphone or earphone
- Radiomuseum.org ID
- 252341
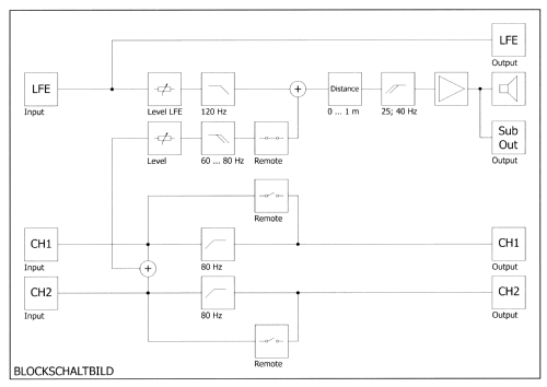
Click on the schematic thumbnail to request the schematic as a free document.
- Number of Transistors
- Semiconductors present.
- Semiconductors
- Main principle
- Audio-Amplification
- Wave bands
- - without
- Details
- Loudspeaker + integr.Amplifier
- Power type and voltage
- Alternating Current supply (AC) / 90-132; 190-265 Volt
- Loudspeaker
- Permanent Magnet Dynamic (PDyn) Loudspeaker (moving coil) / Ø 28 cm = 11 inch
- Power out
- 1000 W (unknown quality)
- Material
- Wooden case
- from Radiomuseum.org
- Model: Active Subwoofer Basis 11K - Musikelectronic Geithain, VEB;
- Shape
- Console with any shape - in general
- Dimensions (WHD)
- 350 x 350 x 350 mm / 13.8 x 13.8 x 13.8 inch
- Net weight (2.2 lb = 1 kg)
- 15.8 kg / 34 lb 12.8 oz (34.802 lb)
- Mentioned in
- -- Original prospect or advert
- Author
- Model page created by Heiko zur Mühlen. See "Data change" for further contributors.
- Other Models
-
Here you find 52 models, 48 with images and 43 with schematics for wireless sets etc. In French: TSF for Télégraphie sans fil.
All listed radios etc. from Musikelectronic Geithain, VEB; - Musikelektronik Geithain, PGH; (Ostd.)