National Panasonic RQ-237SE
Panasonic, Matsushita, National ナショナル (also tubes); Osaka
- Land
- Japan
- Hersteller / Marke
- Panasonic, Matsushita, National ナショナル (also tubes); Osaka
- Jahr
- 1972
- Kategorie
- Rundfunkempfänger (Radio - oder Tuner nach WW2)
- Radiomuseum.org ID
- 79675
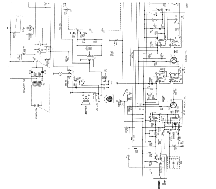
Klicken Sie auf den Schaltplanausschnitt, um diesen kostenlos als Dokument anzufordern.
- Anzahl Transistoren
- 6
- Halbleiter
- Hauptprinzip
- Superhet allgemein; ZF/IF 455 kHz
- Wellenbereiche
- Mittelwelle und UKW (FM).
- Spezialitäten
- Kassetten-Recorder oder -Spieler
- Betriebsart / Volt
- Netz- / Batteriespeisung / 90-250 / 6 x 1,5 Volt
- Lautsprecher
- Dynamischer LS, keine Erregerspule (permanentdynamisch) / Ø 4 inch = 10.2 cm
- Material
- Plastikgehäuse (nicht Bakelit), Thermoplast
- von Radiomuseum.org
- Modell: National Panasonic RQ-237SE - Panasonic, Matsushita,
- Form
- Reisegerät > 20 cm (netzunabhängig betreibbar)
- Bemerkung
- Cassette tape recorder with FM/AM radio
- Originalpreis
- 350.00 DM
- Literatur/Schema (1)
- -- Original-techn. papers.
- Autor
- Modellseite von Hugo Sneyers angelegt. Siehe bei "Änderungsvorschlag" für weitere Mitarbeit.
- Weitere Modelle
-
Hier finden Sie 3128 Modelle, davon 2912 mit Bildern und 651 mit Schaltbildern.
Alle gelisteten Radios usw. von Panasonic, Matsushita, National ナショナル (also tubes); Osaka