Multisound Steuergerät 1060 60W Art. Nr. 955/337
Neckermann-Versand KG; Frankfurt a.M.
- Pays
- Allemagne
- Fabricant / Marque
- Neckermann-Versand KG; Frankfurt a.M.
- Année
- 1974 ?
- Catégorie
- Radio - ou tuner d'après la guerre 1939-45
- Radiomuseum.org ID
- 328992
-
- Brand: Twen Tone
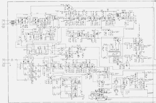
Cliquez sur la vignette du schéma pour le demander en tant que document gratuit.
- No. de transistors
- 40
- Semi-conducteurs
- Principe général
- Super hétérodyne (en général)
- Circuits accordés
- 5 Circuits MA (AM) 11 Circuits MF (FM)
- Gammes d'ondes
- PO, GO, OC et FM
- Tension / type courant
- Alimentation Courant Alternatif (CA) / 220 Volt
- Haut-parleur
- - Ce modèle nécessite des HP externes
- Puissance de sortie
- 37 W (sans distorsion)
- Matière
- Matériaux divers
- De Radiomuseum.org
- Modèle: Multisound Steuergerät 1060 60W Art. Nr. 955/337 - Neckermann-Versand KG;
- Forme
- Modèle de table avec boutons poussoirs.
- Dimensions (LHP)
- 600 x 140 x 310 mm / 23.6 x 5.5 x 12.2 inch
- Remarques
-
Auszug aus NECKERMANN Verkaufsprospekt 1975:
80W - Stereo - Steuergerät "HiFi Studio Multisound 1060", nach HiFi DIN 45 500.
UKW / MW / LW / KW.
Musikleist.: 80 W (2 x 40 W). Nennleist.: 37 W (2 x 18,5 W).
Frequenzgang: 25-20000 Hz ± 1,5 dB.
Elektronik - Gleitregler - Zentrum (Balance, Bässe, Höhen, Lautstärke).
17 Drucktasten. Sofort - Elektronik - Senderwahl für 6 UKW - Programme.Normanschlüsse: 4 x Lautsprecher, Plattenspieler mit Magnet- oder Kristall (Keramik)- System, Kopfhörer, Cassetten-Recorder, Tonbandgerät, Antenne.
Technik: 40 Transistoren, 17 Dioden, 1 Gleichrichter, 3 ICs. Klirrfaktor 1%.
Das Multisound Steuergerät 1060, Art. Nr. 955/337 erlaubte den Anschluss von 2 vor dem Hörer aufgestellten Hauptlautsprechern, sowie 2 hinter dem Hörer aufgestellten Rückenlautsprechern zur Erzeugung einer Raumklang- Wiedergabe (kein Quadro!). Siehe Bedienungsanleitung.
- Prix de mise sur le marché
- 548.00 DM
- Littérature
- - - Manufacturers Literature (Bedienungsanleitung)
- Auteur
- Modèle crée par Harald Giese. Voir les propositions de modification pour les contributeurs supplémentaires.
- D'autres Modèles
-
Vous pourrez trouver sous ce lien 562 modèles d'appareils, 504 avec des images et 185 avec des schémas.
Tous les appareils de Neckermann-Versand KG; Frankfurt a.M.