Charleston N Ch= 770.107M
Nordmende, Norddeutsche Mende-Rundfunk GmbH (Sterling), Bremen-Hemelingen
- Country
- Germany
- Manufacturer / Brand
- Nordmende, Norddeutsche Mende-Rundfunk GmbH (Sterling), Bremen-Hemelingen
- Year
- 1970 ?
- Category
- Broadcast Receiver - or past WW2 Tuner
- Radiomuseum.org ID
- 174345
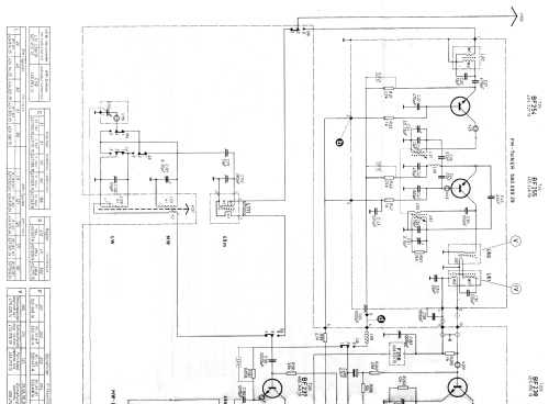
Click on the schematic thumbnail to request the schematic as a free document.
- Number of Transistors
- 11
- Main principle
- Superheterodyne (common)
- Wave bands
- Broadcast, Long Wave, Short Wave plus FM or UHF.
- Power type and voltage
- Line / Batteries (any type) / 220 / 2 x 4,5 Volt
- Loudspeaker
- Permanent Magnet Dynamic (PDyn) Loudspeaker (moving coil) - elliptical
- Material
- Plastics (no bakelite or catalin)
- from Radiomuseum.org
- Model: Charleston N Ch= 770.107M - Nordmende, Norddeutsche Mende-
- Shape
- Portable set > 8 inch (also usable without mains)
- Dimensions (WHD)
- 290 x 180 x 75 mm / 11.4 x 7.1 x 3 inch
- Net weight (2.2 lb = 1 kg)
- 1.8 kg / 3 lb 15.4 oz (3.965 lb)
- Source of data
- - - Data from my own collection
- Author
- Model page created by Jouko Laukkanen. See "Data change" for further contributors.
- Other Models
-
Here you find 1763 models, 1650 with images and 1280 with schematics for wireless sets etc. In French: TSF for Télégraphie sans fil.
All listed radios etc. from Nordmende, Norddeutsche Mende-Rundfunk GmbH (Sterling), Bremen-Hemelingen
Collections
The model Charleston N is part of the collections of the following members.