Stereo-clipper 2252 983.110H
Nordmende, Norddeutsche Mende-Rundfunk GmbH (Sterling), Bremen-Hemelingen
- Hersteller / Marke
- Nordmende, Norddeutsche Mende-Rundfunk GmbH (Sterling), Bremen-Hemelingen
- Jahr
- 1982/1983
- Kategorie
- Rundfunkempfänger (Radio - oder Tuner nach WW2)
- Radiomuseum.org ID
- 160214
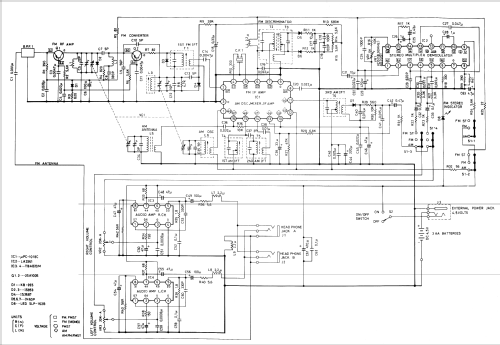
Klicken Sie auf den Schaltplanausschnitt, um diesen kostenlos als Dokument anzufordern.
- Anzahl Transistoren
- 2
- Hauptprinzip
- Superhet allgemein; ZF/IF 455/10700 kHz
- Wellenbereiche
- Mittelwelle und UKW (FM).
- Betriebsart / Volt
- Akku und/oder Batterie / 3 × 1,5 Volt
- Lautsprecher
- - Für Kopfhörer oder NF-Verstärker
- Material
- Plastikgehäuse (nicht Bakelit), Thermoplast
Die GFGF Zeitschrift Funkgeschichte bringt interessante Artikel zu Radios, Funkwesen und Medien. Bei Radiomuseum.org finden Sie die vollständigen Hefte früherer Ausgaben als PDF zum Download.
- von Radiomuseum.org
- Modell: Stereo-clipper 2252 983.110H - Nordmende, Norddeutsche Mende-
- Form
- Kleines Reisegerät oder «Taschengerät» < 20 cm.
- Abmessungen (BHT)
- 80 x 120 x 32 mm / 3.1 x 4.7 x 1.3 inch
- Bemerkung
- Gerät benötigt einen Stereokopfhörer
Transistoren: 2 × 2SA1005
IC's: µPC1018C LA3361 2×TBA820
UKW: 88 - 108 MHz
MW: 530 - 1605 kHz
- Nettogewicht
- 0.230 kg / 0 lb 8.1 oz (0.507 lb)
- Datenherkunft
- -- Original-techn. papers.
- Autor
- Modellseite von Thomas Günzel † 1.8.22 angelegt. Siehe bei "Änderungsvorschlag" für weitere Mitarbeit.
- Weitere Modelle
-
Hier finden Sie 1763 Modelle, davon 1650 mit Bildern und 1280 mit Schaltbildern.
Alle gelisteten Radios usw. von Nordmende, Norddeutsche Mende-Rundfunk GmbH (Sterling), Bremen-Hemelingen