17K41 Ch= TK17
Olympic Radio & Television, Inc.; New York (NY)
- Country
- United States of America (USA)
- Manufacturer / Brand
- Olympic Radio & Television, Inc.; New York (NY)
- Year
- 1953 ?
- Category
- Television Receiver (TV) or Monitor
- Radiomuseum.org ID
- 361349
Click on the schematic thumbnail to request the schematic as a free document.
- Number of Tubes
- 24
- Valves / Tubes
- 6BK7 or 6BQ7 6J6 6CB6 6CB6 6CB6 6BA6 6CB6 6AU6 6AL5 6AV6 6W6GT 6SN7GT 12BH7 6SN7GT 6BQ6GT 6W4GT 1B3GT 12SA7 12SK7 12SQ7 50L6GT 35Z5GT 5U4G 17HP4
- Main principle
- Superhet with RF-stage
- Wave bands
- Wave Bands given in the notes.
- Details
- Changer (Record changer)
- Power type and voltage
- Alternating Current supply (AC) / 60 Hz, 117V = 110 -120 Volt
- Loudspeaker
- Permanent Magnet Dynamic (PDyn) Loudspeaker (moving coil) / Ø 10 inch = 25.4 cm
- Material
- Wooden case
- from Radiomuseum.org
- Model: 17K41 Ch= TK17 - Olympic Radio & Television,
- Shape
- Console with any shape - in general
- Notes
-
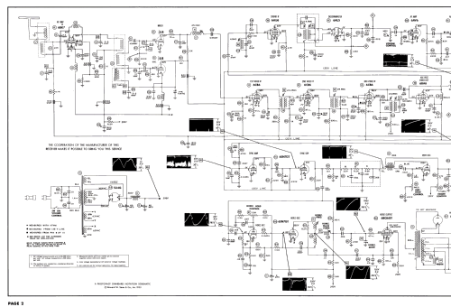
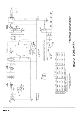
Olympic model 17K41 is a 17” b/w TV with US standard VHF tuner channels 2 thru 13. Equipped with chassis TK17, TV-radio-phono combination , VHF tuner RF-CL-2755-1 and picture tube 17HP4.
- Literature/Schematics (1)
- Photofact Folder, Howard W. SAMS (Set 196, folder 9, dated 3-53)
- Author
- Model page created by Dirk Taekels. See "Data change" for further contributors.
- Other Models
-
Here you find 608 models, 273 with images and 556 with schematics for wireless sets etc. In French: TSF for Télégraphie sans fil.
All listed radios etc. from Olympic Radio & Television, Inc.; New York (NY)